
1University College of Pharmaceutical Sciences, Acharya Nagarjuna University, Nagarjuna Nagar, Guntur, Andhra Pradesh, India 522510, 2Department of Pharmaceutics, Chebrolu Hanumaiah Institute of Pharmaceutical Sciences, Chandramoulipuram, Chowdavaram, Guntur, Andhra Pradesh, India 522019
Email: svidyadhara@gmail.com
Received: 01 Dec 2021, Revised and Accepted: 13 Jan 2022
ABSTRACT
Objective: The objective of the present work is to formulate and evaluate Bosentan controlled-release microcapsules using gum karaya and polyethylene oxide as polymers, sodium alginate and calcium chloride as encapsulating material and cross-linking agent and croscarmellose sodium as superdisintegrant.
Methods: Bosentan microcapsules were prepared by the ionic gelation method. The prepared microcapsules were characterized by flow properties such as angle of repose, compressibility index, particle size and encapsulation efficiency and drug release profiles.
Results: The prepared microcapsules were evaluated for angle of repose, compressibility index, % drug content, encapsulation efficiency and particle size. All the flow properties were within the specified IP limits. The drug content of microcapsules prepared by ionic gelation method by varying the polymeric concentration was found in the range of 121.62±0.41 to 124.99±0.51 mg. The encapsulation efficiency of Bosentan controlled-release microcapsules was found to be in the range of 59 % to 67%. Among all the formulations prepared, formulation B14 containing equal proportions (25 mg) of gum karaya and polyethylene oxide showed about 95% of drug release over a period of 12 h and were found to be suitable for extending drug release up to 16 h.
Conclusion: Bosentan controlled-release microcapsules were prepared by ionic gelation method, which is a novel formulation that is helpful in the treatment of pulmonary artery hypertension (PAH).
Keywords: Bosentan, Microcapsules, Ionic gelation and cross-linking agent
© 2022 The Authors. Published by Innovare Academic Sciences Pvt Ltd. This is an open access article under the CC BY license (https://creativecommons.org/licenses/by/4.0/)
DOI: https://dx.doi.org/10.22159/ijap.2022v14i2.43730. Journal homepage: https://innovareacademics.in/journals/index.php/ijap
Controlled drug delivery system is mainly focused on to achieve passable and increased bioavailability [1]. Now a day’s various techniques are available for modifying drug release profiles with respect to time and action of release. Carrier drug delivery systems are available such as microcapsules, microspheres, nanoparticles, nanosomes, phytosomes, niosomes are available, and among these we selected one such carrier system is using microcapsules as carriers for drugs. These carrier systems are greatly used to mask the taste and odor of the drug molecules, prolong the drug release, stability of drug molecules and to enhance the bioavailability [2-4].
Microencapsulation is defined as the applications of a thin polymeric coating solution to core materials are having particle size range between 5 and 5000 μm [5, 6]. It is the widely used method which extends the duration of drug action and improves patient compliance. Subsequently, the total dose and adverse reactions may be decreased since a steady plasma concentration is maintained [7, 8].
Ionotropic gelation is mainly focused on the ability of polyelectrolytes to cross link in the presence of counter ions to form hydrogel beads also known as gelispheres. These are spherical hydrophilic cross-linked polymeric molecules capable of high gelation and swelling in all biological fluids and the drug release is controlled by polymer relaxation. The gelispheres are produced by dropping a drug-loaded polymeric solution into the aqueous solution of polyvalent cations. The cations diffuse into the drug-loaded polymeric drops, forming a three-dimensional lattice of ionically cross-linked moiety [9, 10].
In the present research work, Bosentan controlled-release microcapsules were prepared by the ionic gelation method. Bosentan is the first endothelin receptor antagonists successfully used in the treatment of pulmonary artery hypertension (PAH). The absolute oral bioavailability of Bosentan in healthy adults is 50%, and is unaffected by food [11-13]. Thus, the present work was mainly focused on the design and development of bosentan controlled-release microcapsules by ionic gelation method using gum karaya and polyethylene oxide as polymers, sodium alginate and calcium chloride as encapsulating material and cross-linking agent and croscarmellose sodium as superdisintegrant and to study the effect of method of preparation on physical properties and drug release profiles of bosentan controlled-release microcapsules [14].
Materials
Bosentan is a gift sample from Aurobindo Pharma limited, Hyderabad (India). Gum Karaya and polyethylene oxides were commercially procured from Yarrow Chemical Products, Mumbai. Croscarmellose sodium, sodium alginate and calcium chloride were commercially procured from Colorcon chemicals Asia Pvt, Ltd., Mumbai.
Preparation of bosentan controlled-release microcapsules by ionic gelation method
Bosentan controlled-release microcapsules were prepared by ionic gelation method. Sodium alginate (2% w/w) was dissolved in 25 ml of distilled water by stirring using a magnetic stirrer. Bosentan along with polymers and superdisintegrant, was added to sodium alginate mixture and stirred for 5-10 min at 1000 rpm to obtain a homogeneous mixture. The mixture was kept aside until the air bubbles disappear completely and then it was extruded dropwise into 50 ml of 5% calcium chloride solution. After one hour of curing time, calcium chloride solution was decanted and the beads were filtered and air-dried [15]. The composition of Bosentan controlled-release microcapsules were given in table 1.
Evaluation of bosentan controlled-release microcapsules
The prepared microcapsules were evaluated for flow properties like the angle of repose and compressibility index; the drug content, encapsulation efficiency and particle size were also evaluated [16, 17]. The results were given in table 2.
Angle of repose
The powder flow properties were determined to know the good or bad material flow. The powder was taken into a funnel and poured through it. Below this, a graph sheet was placed to form a heap-like structure for which the radius and height of the heap was measured. Based on these, the angle of repose was calculated by using the formula;
θ = tan-1(h/r)
Compressibility index
A simple test was used to evaluate the flowability of a powder by comparing the poured density and the tapped density of a powder and the rate at which it is packed down.

Drug content
The drug content in the microcapsules was determined by crushing known amount of microcapsules which were taken in a mortar and triturate with a pestle before soaking in 100 ml of 6.8 pH phosphate buffer with continuous stirring for 60 min. This provided complete swelling and bursting of the microcapsules. The resultant dispersion was filtered through 0.45 μm membrane filter and the concentration of drug in the solution was determined spectrophotometrically after appropriate dilution using 6.8 pH phosphate buffer.
Encapsulation efficiency
Bosentan microcapsules from a batch were taken at random and were crushed to fine powder. The powdered material was transferred into a 100 ml volumetric flask and 70 ml of 6.8 pH phosphate buffer was added to it. It was shaken occasionally for about 30 min and the volume was made up to100 ml by adding 6.8 pH phosphate buffer. About 10 ml of the solution from the volumetric flask was taken and centrifuged. The supernatant solution from the centrifuge tube was collected and again filtered by using a millipore filter. Then the filtrate was subsequently diluted and the absorbance was measured at 211 nm. This test was repeated six times (N= 6) for each batch of microcapsules.
Particle size determination
Size distribution plays a pivotal role in determining the release characteristics of microcapsules. The microscopic method was used for analysis of the average particle size of microcapsules. For these studies, 100 microcapsules were taken and counted for particle size using a calibrated optical microscope.
In vitro dissolution studies
Dissolution rate studies for each batch of microcapsules were performed in a calibrated 8 station dissolution test apparatus (LABINDIA DS 8000), equipped with paddles (USP apparatus II method) employing 900 ml of 6.8 pH phosphate buffer as dissolution medium. Samples were withdrawn at regular intervals up to 12 h. Fresh volume of the medium was replaced with the withdrawn volume to maintain constant volume throughout the experiment. Samples withdrawn were suitably diluted with the same dissolution medium and the amount of drug released was estimated by ELICO double beam spectrophotometer at 211 nm. Based on the results obtained, various invitro dissolution parameters like first order, higuchi and Korsmeyer peppa’s constant were calculated. The in vitro drug release profile of various Bosentan controlled-release microcapsules were shown in fig. 1 and 2. The in vitro dissolution parameters were indicated in table 3.
Characterization studies
Based on the results obtained on dissolution studies, the optimized formulations were selected, and Fourier Transform Infrared (FTIR), Differential Scanning Calorimetry (DSC) studies were conducted to observe the drug-polymer interactions. Scanning Electron Microscopy (SEM) analysis was performed on Bosentan pure drug, polymers such as gum karaya, polyethylene oxide sodium alginate and optimized formulation to know the surface characteristics. The results were shown in fig. 3 to 17.
Preparation of bosentan controlled-release microcapsules by ionic gelation method
In the present investigation, Bosentan controlled-release microcapsules were prepared by ionic gelation method. Gum karaya and polyethylene oxide were used as controlled release coating polymeric material for the preparation of microcapsules. Croscarmellose sodium is used as a superdisintegrant. Sodium alginate and calcium chloride were used as encapsulating and cross-linking agents [18]. The compositions of various Bosentan controlled-release microcapsules were given in table 1.
Table 1: Composition of bosentan controlled-release microcapsules
| Ingredients (mg) | Formulations | |||||||||||||
| B1 | B2 | B3 | B4 | B5 | B6 | B7 | B8 | B9 | B10 | B11 | B12 | B13 | B14 | |
| Bosentan | 125 | 125 | 125 | 125 | 125 | 125 | 125 | 125 | 125 | 125 | 125 | 125 | 125 | 125 |
| Karaya Gum | - | - | - | 10 | 20 | 30 | 40 | 50 | - | - | - | - | - | 25 |
Polyethylene oxide (WSR303) |
- | - | - | - | - | - | - | - | 10 | 20 | 30 | 40 | 50 | 25 |
| Croscarmellose sodium | 10 | 10 | 10 | 10 | 10 | 10 | 10 | 10 | 10 | 10 | 10 | 10 | 10 | 10 |
| Sodium Alginate | 15 | 25 | 50 | 50 | 50 | 50 | 50 | 50 | 50 | 50 | 50 | 50 | 50 | 50 |
Calcium Chloride (5% w/w) |
QS | QS | QS | QS | QS | QS | QS | QS | QS | QS | QS | QS | QS | QS |
| Water (ml) | 50 | 50 | 50 | 50 | 50 | 50 | 50 | 50 | 50 | 50 | 50 | 50 | 50 | 50 |
*QS indicates quantity sufficient, WSR indicates water soluble resin
Evaluation of physical parameters of bosentan controlled-release microcapsules
The prepared microcapsules were evaluated for angle of repose, compressibility index, % drug content, encapsulation efficiency and particle size. The angles of repose values for various microcapsules obtained were in the range of 22.14° to 25.52°. Which indicated the good flow properties of microcapsules. Compressibility index for various microcapsules obtained was in the range of 10.37 to 14.87%, which indicated good flow of properties of microcapsules. The average particle size was determined by simple microscopic method and all the formulations were in the range of 152 to 198 µm in size. The drug content of microcapsules prepared by ionic gelation method by varying the polymeric concentration was found in the range of 121.62±0.41 to 124.99±0.51 mg. The encapsulation efficiency of Bosentan controlled-release microcapsules was found to be in the range of 59 % to 67%. The physical parameters evaluated for various microcapsules were given in table 2. Among these, B14 showed more encapsulation efficiency which is a prime feature for the preparation of microcapsules which is suggested in the past research [19].
Table 2: Evaluation of bosentan controlled release microcapsules
| S. No. | Formulation | Angle of repose (θ) mean | Compressibility index (%) mean | Drug content (mg) (mean±SD) |
Encapsulation efficiency (%) mean | Particle size (µm) mean |
| 1 | B1 | 22.14 | 12.13 | 124.32±0.11 | 60 | 170 |
| 2 | B2 | 25.94 | 11.10 | 123.52±0.01 | 59 | 181 |
| 3 | B3 | 25.69 | 13.20 | 122.43±0.18 | 60 | 198 |
| 4 | B4 | 25.42 | 10.89 | 122.01±0.21 | 64 | 163 |
| 5 | B5 | 24.85 | 14.87 | 123.50±0.31 | 63 | 181 |
| 6 | B6 | 25.01 | 11.68 | 121.62±0.41 | 64 | 190 |
| 7 | B7 | 24.76 | 10.37 | 12382±0.13 | 62 | 182 |
| 8 | B8 | 25.02 | 12.89 | 122.12±0.21 | 61 | 152 |
| 9 | B9 | 22.84 | 12.78 | 123.82±0.01 | 62 | 180 |
| 10 | B10 | 23.74 | 12.19 | 124.92±0.81 | 62 | 172 |
| 11 | B11 | 24.94 | 14.20 | 122.22±0.21 | 62 | 155 |
| 12 | B12 | 25.09 | 12.99 | 123.34±0.51 | 63 | 196 |
| 13 | B13 | 25.52 | 14.01 | 122.43±0.11 | 60 | 172 |
| 14 | B14 | 23.42 | 13.33 | 124.99±0.51 | 67 | 188 |
(N=6)
In vitro dissolution studies of bosentan controlled-release microcapsules
In vitro dissolution studies were carried out on all the microcapsules by 8 station dissolution test apparatus equipped with paddles employing 900 ml of 6.8 pH phosphate buffer as dissolution medium [20]. Formulations B1 to B3 prepared without polymers were found to release the drug within 12 h and failed to extend the drug release. Formulations B4 to B8 prepared with gum karaya at the concentration range of 10 to 50 mg were showed 99.72% drug release up to 8 to 12 h. Formulation B9 to B13 prepared with polyethylene oxide at the concentration range of 10 to 50 mg were showed 99.87% drug release up to 8 to 12 h. Formulation B14 showed about 95% of drug release over a period of 12 h and was found to be suitable for extending drug release up to 16 h. The drug release profiles for various microcapsules were shown in fig. 1 and 2. The dissolution profiles indicated that as the equal propositions of gum karaya and polyethylene oxide increases, the drug release is extended over prolong period of time. Past studies also revealed that the drug release was delayed on the incorporation of PEO WSR 303 into the formulation [21, 22]. The drug release from the microcapsule formulations was by diffusion mechanism [23]. The drug from the polymeric matrix diffused, followed by erosion of the polymer [24]. The drug also gets diffused from the channels formed on the coatings [25]. The dissolution profiles were indicated in fig. 1 and 2.

Fig. 1: In vitro drug release profiles of bosentan controlled-release microcapsules (B1 to B9) (mean±SD; n=3)

Fig. 2: In vitro drug release profiles of bosentan controlled-release microcapsules, (B10 to B14) (mean±SD; n=3)
All the microcapsule formulations were found to be linear with a first order release rate with R2 values in the range of 0.932 to 0.996. Thus the rates of drug release from all the microcapsules formulations were concentration-dependent and were linear with first-order release rate constant (K1). All the microcapsules formulations were found to be linear with higuchi constant with R2 values in the range of 0.911 to 0.998. Thus the rates of drug release from all the microcapsules formulations were by the diffusion process. The release exponent (n values) obtained from Peppa’s plot for all the microcapsules formulations were in the range of 0.4 to 0.7 indicating that the drug release was by non-Fickian diffusion. The dissolution parameters were given in table 3.
Table 3: In vitro dissolution parameters of bosentan controlled-release microcapsules
| Formulation | First order | Higuchi | Peppas | |||
| K1 (h-1) | R2 | KH (mg/h1/2) | R2 | n | R2 | |
| B1 | 0.274 | 0.932 | 38.186 | 0.942 | 0.734 | 0.984 |
| B2 | 0.303 | 0.954 | 38.588 | 0.966 | 0.518 | 0.970 |
| B3 | 0.204 | 0.926 | 33.634 | 0.998 | 0.597 | 0.943 |
| B4 | 0.325 | 0.932 | 32.574 | 0.911 | 0.625 | 0.947 |
| B5 | 0.347 | 0.956 | 37.017 | 0.971 | 0.784 | 0.981 |
| B6 | 0.455 | 0.919 | 27.888 | 0.955 | 0.650 | 0.987 |
| B7 | 0.455 | 0.939 | 26.888 | 0.945 | 0.730 | 0.967 |
| B8 | 0.232 | 0.966 | 22.889 | 0.998 | 0.877 | 0.978 |
| B9 | 0.355 | 0.981 | 32.99 | 0.986 | 0.653 | 0.964 |
| B10 | 0.241 | 0.976 | 21.78 | 0.946 | 0.587 | 0.977 |
| B11 | 0.251 | 0.959 | 30.55 | 0.966 | 0.574 | 0.962 |
| B12 | 0.344 | 0.980 | 31.05 | 0.980 | 0.666 | 0.955 |
| B13 | 0.324 | 0.989 | 30.15 | 0.960 | 0.636 | 0.944 |
| B14 | 0.365 | 0.996 | 24.36 | 0.998 | 0.657 | 0.991 |
Characterization of microcapsules
Based on the dissolution studies performed on all the formulations, the optimized formulations were selected and the following characterization studies were done.
Fourier-transform infra-red (FT-IR) spectroscopic analysis
The FTIR spectra of bosentan exhibited principle peaks at wave numbers of 3030 cm-1 (C-H), 3650 cm-1 (O-H), 3335 cm-1(N-H Stretching), 1563 cm-1(N-H bending), 1342 cm-1(S=O) and C-O-C 1252 cm-1. For gum karaya, the peaks were observed at 2970 cm-1 (C-H), 3376 cm-1 (O-H), 1252 cm-1(C-O-C) and 1578 cm-1(C=O). For polyethylene oxide, the peaks were observed at 2886 cm-1 (C-H), 3426 cm-1 (O-H) and 1068.81 cm-1 (C-O-C). For sodium alginate, the peaks were observed at 2950 cm-1 (C-H), 3420 cm-1 (O-H), 1032 cm-1 (C-O-C) and 1650 cm-1 (C=O). The spectra of optimized microcapsules B14 exhibited all the principle peaks present in the Bosentan pure drug. Thus there was no appearance or disappearance of any characteristics peak, which shows that there is no chemical interaction between the drug and the polymer used. The FTIR spectra of drug, polymers and optimized formulation B14 were shown in fig. 3 to 7.

Fig. 3: FTIR spectrum of pure bosentan drug

Fig. 4: FTIR spectrum of gum karaya

Fig. 5: FTIR spectrum of polyethylene oxide

Fig. 6: FTIR spectrum of sodium alginate

Fig. 7: FTIR spectrum of optimized formulation (B14)

Fig. 8: DSC thermogram of bosentan pure drug
Differential scanning calorimetry
DSC thermographic peak for bosentan was observed at temperature 115.6 °C as sharp endothermic peak. The DSC thermographic peak for gum karaya was observed at 69.73 °C as broad endothermic peak. The DSC thermographic peak for polyethylene oxide was found at 68.03 °C as sharp endothermic peak. The DSC thermographic peak for sodium alginate was found at 73.86 °C as broad endothermic peak. The DSC thermographic peak for optimized formulation B14was found at 100.04 °C as broad endothermic peak. The results revealed that there were no major interactions between the drug and the polymers during the coating process. The DSC endothermic peaks were shown in fig. 8 to 12.

Fig. 9: DSC thermogram of gum karaya

Fig. 10: DSC thermogram of polyethylene oxide

Fig. 11: DSC thermogram of sodium alginate

Fig. 12: DSC thermogram of optimized formulation (B14)
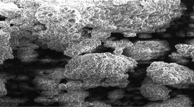
Scanning electron microscopy
SEM analysis was performed for some of the microcapsules prepared by the ionic gelation method. The microcapsules formulated were observed to be spherical and uniform. The SEM images were shown in fig. 13 to 17.

Fig. 13: SEM image of pure bosentan drug

Fig. 14: SEM image of gum karaya

Fig. 15: SEM image of polyethylene oxide

Fig. 16: SEM image of sodium alginate

Fig. 17: SEM image of optimized formulation (B14)
The concept of formulating microcapsules containing bosentan offers a suitable, practical approach to achieve a prolonged therapeutic effect by continuously releasing the medication over an extended period of time. Thus, the microcapsules of bosentan were successfully prepared by the ionic gelatin method using the different concentrations of polymers gum karaya and polyethylene oxide.
The authors express their gratitude to Aurobindo Pharma Limited, Hyderabad, Andhra Pradesh, India, for providing gift samples. The authors are thankful to the management of Chebrolu Hanumaiah Institute of Pharmaceutical Sciences, Guntur, for providing the facilities to carry out the research work.
The authors declare no conflict of interest.
Nath B, Nath LK, Mazumdar B, Sharma N, Sarkar M. Design and development of metformin HCl floating microcapsules using two polymers of different permeability characteristics. Int J Pharm Sci Nanotech. 2009;2(3):627-37. doi: 10.37285/ ijpsn.2009.2.3.6.
Khamanga SM, Parfitt NN, Nyamuzhiwa T, Haidula H, Walker RB. The evaluation of eudragit microcapsules manufactured by solvent evaporation using USP apparatus 1. Diss Technol. 2009;16(2):15-22. doi: 10.14227/DT160109P15.
Belgamwar VS, Kawtikwar PS, Phutane GP, Belgamwar AV. Design and evaluation of microcapsules containing ciprofloxacin hydrochloride for sustained release. Indian Drugs. 2008;45(1):553-7.
Shabaraya AR, Narayanacharyulu R. Design and evaluation of chitosan microspheres of metoprolol tartrate for sustained release. Indian J Pharm Sci. 2003;65(3):250-3.
Wieland Berghausen S, Schote U, Frey M, Schmidt F. Comparison of microencapsulation techniques for the water-soluble drugs nitenpyram and clomipramine HCl. J Control Release. 2002;85(1-3):35-43. doi: 10.1016/s0168-3659(02)00269-9, PMID 12480309.
Yamada T, Onishi H, Machida Y. Sustained release ketoprofen microparticles with ethyl cellulose and carboxymethyl ethyl cellulose. J Control Release. 2001;75(3):271-82. doi: 10.1016/s0168-3659(01)00399-6, PMID 11489315.
Bolourtchian N, Karimi K, Aboofazeli R. Preparation and characterization of ibuprofen microspheres. J Microencapsul. 2005;22(5):529-38. doi: 10.1080/02652040500161941, PMID 16361196.
Haznedar S, Dortunç B. Preparation and in vitro evaluation of eudragit microspheres containing acetazolamide. Int J Pharm. 2004;269(1):131-40. doi: 10.1016/j.ijpharm.2003.09.015. PMID 14698584.
Horoz BB, Kiliçarslan M, Yuksel N, Baykara T. Effect of different dispersing agents on the characteristics of eudragit microspheres prepared by a solvent evaporation method. J Microencapsul. 2004;21(2):191-202. doi: 10.1080/02652040310001637893, PMID 15198430.
Dong W, Bodmeier R. Encapsulation of lipophilic drugs within enteric microparticles by a novel coacervation method. Int J Pharm. 2006;326(1-2):128-38. doi: 10.1016/j.ijpharm.2006.07.013. PMID 16942845.
Hemalatha K, Lathaeswari R, Patil JS, Kamalapur MV, Marapur SC, Kadam DV. Ionotropic gelation and polyelectrolyte complexation: the novel techniques to design hydrogel particulate sustained, modulated drug delivery system. Dig J Nanometer Bios. 2010;5(1):241-8.
Suganeswari M, Senthil Kumar V, Anto SM. Formulation and evaluation of metoclopramide hydrochloride microbeads by ionotropic gelation method. Int J Pharm Biol Arch. 2011;2(3);162:921-8. DOI. doi: 10.37022/wjcmpr. vi.
Bonello B, Renard S, Mancini J, Hubert S, Habib G, Fraisse A. Life span of patients with Eisenmenger syndrome is not superior to that of patients with other causes of pulmonary hypertension. Cardiovasc Diagn Ther. 2014;4(5):341-9. doi: 10.3978/j.issn.2223-3652.2014.10.03. PMID 25414820.
Kuang HY, Wu YH, Yi QJ, Tian J, Wu C, Shou WN, Lu TW. The efficiency of endothelin receptor antagonist bosentan for pulmonary arterial hypertension associated with congenital heart disease: a systematic review and meta-analysis. Medicine. 2018;97(10):e0075. doi: 10.1097/MD.0000000000010075, PMID 29517668.
Iswandana R, Putri KSS, Dwiputra R, Yanuari T, Sari SP, Djajadisastra J. Raditya iswandana, kurnia sari setio putri, randika dwiputra, tryas yanuari, santi purna sari, joshita djajadisastra. Int J Appl Pharm. 2017;9(5):109-15. doi: 10.22159/ijap.2017v9i5.20842.
Rao KV, Venkatchalam VV. Sustained-release mucoadhesive microcapsules of ramipril by ionic gelation technique: formulation design, optimization and characterization. Int J Pharm Pharm Sci. 2017;9(2):128-41. doi: 10.22159/ijpps.2017v9i2.12660.
Samran S, Dalimunthe D, Dalimunthe D, Dalimunthe D. The formulation of dry curcuma (Curcuma Xanthorrhiza Roxb.) extract microcapsules by spray wet microencapsulation techniques. Asian J Pharm Clin Res 2018;11(3). doi: 10.22159/ajpcr.2018.v11i3.22608.
Mosab A. Approaches to achieve an oral controlled release drug delivery system using polymers: a recent review. Int J Pharm Pharm Sci. 2015;7(7):16-21.
priya SN, N-aga Jyothi A, Poojitha J, Santhosh A, Rama Rao N. A comprehensive review on hydrogels. Int J Curr Pharm Res. 2016;8(1):19-23.
Vidyadhara S, Babu JR, Balakrishna T, Trilochani P, Kumar MP. Design and evaluation of controlled release losartan potassium microcapsules. J Pharm Res. 2013;6(4):470-5. doi: 10.1016/j.jopr.2013.04.015.
Sadhana S, Ashok S, Suhas V, Nityanand Z. Formulation and in vitro characterization of acyclovir floating matrix tablets: a factorial design study. J Appl Pharm Sci. 2013;3(5):65-74. doi: 10.7324/JAPS.2013.3513.
Sree PA, Pradeep RT, Praveen KM, Shrutika C. Formulation of regioselective floating matrix tablets of dextromethorphan using gas-forming technique and evaluation. Int J Pharm Sci Res. 2013;4(10):3976-91. doi: 10.13040/IJPSR.0975-8232.4(10).3976-91.
Sirisha VNL, Eswariah MC, Rao AS. Formulation and evaluation of karaya gum microspheres of cromolyn sodium: treatment of ulcerative colitis. Int Res J Pharm. 2017;8(10):182-8. doi: 10.7897/2230-8407.0810205.
Maliha K, Shahid MD. Formulation and in vitro evaluations of floating microspheres of bosentan. Int J Res Pharm Nano Sci. 2017;6(3):134-46.
Ashok KA, Balakrishna T, Rajiv J, Murthy TEGK, Anil KA, Sudheer B. Formulation and evaluation of mucoadhesive microcapsules of metformin HCl with Gum karaya. Int J Pharm Pharm Sci. 2011;3(3):150-5.