
1Department of Pharmaceutical Sciences, Maharishi Dayanand University, Rohtak-124001, India. 2Department of Pharmaceutical Sciences, Chaudhary Bansi Lal University, Bhiwani-127021, India
*Corresponding author: Deepak Kaushik; *Email: deepkaushik1977@gmail.com
Received: 28 Mar 2023, Revised and Accepted: 22 Jun 2023
ABSTRACT
Objective: The goal of this study was to use a solid dispersion approach to improve the aqueous solubility and dissolution rate of Telmisartan.
Methods: Design of experiment trials was conducted following a central composite design with different combinations of polymers and stirrer rpm and the selected responses (drug release, entrapment efficiency) were determined. The selected optimized formulation was characterized by Fourier-transform infrared spectroscopy, differential scanning calorimetry, scanning electron microscopy, and X-ray diffraction, which reflected the changes that occurred in API and excipients after conversion in to the formulation.
Results: In the design of experiments, central composite design was implemented and it was observed that polymers concentration (polyvinyl pyrrolidine K25, polyethylene glycol 4000) and stirrer rpm were having a significant impact on the responses (drug release, entrapment efficiency), and variables were having p-value<0.05 which reflected the significant impact. The results of stability study showed a significant no decrease in drug assay values, which reflected the stability behavior of the formulation. The results of comparative dissolution studies revealed that the optimized formulation have improved the drug solubility and dissolution rate.
Conclusion: It can be concluded that optimized telmisartan-loaded solid dispersion improved the solubility and dissolution rate of Telmisartan. The optimized formulation was having release>85% release within 30 min. Further, the stability of the formulation was also assessed under the accelerated condition as per ICH which reflected their stability. So, this approach can be employed for improving dissolution rate of other BCS II class drugs.
Keywords: Telmisartan, Polyvinyl pyrrolidine K25, Polyethylene glycol 4000, Solid dispersion, Solvent evaporation, Central composite design
© 2023 The Authors. Published by Innovare Academic Sciences Pvt Ltd. This is an open access article under the CC BY license (https://creativecommons.org/licenses/by/4.0/)
DOI: https://dx.doi.org/10.22159/ijap.2023v15i5.47968. Journal homepage: https://innovareacademics.in/journals/index.php/ijap
Modern drug discovery techniques, with advances in combinatorial chemistry and high throughput screening, continue to fill drug development pipelines with a high number of poorly soluble new chemical entities (NCEs). It is estimated that over the years, about 40%–70% of NCEs are poorly water soluble and a large number of scientists are engaged in the invention of NCEs and the success rate is poor. A drug with poor aqueous solubility will typically exhibit a dissolution rate of limited absorption, and a drug with poor membrane permeability will typically exhibit a permeation rate of limited absorption. Hence, two areas of pharmaceutical research that focus on improving the oral bioavailability of active agents include: enhancing the solubility and dissolution rate of poorly water-soluble drugs and enhancing the permeability of poorly permeable drugs [1].
Scientists create a variety of active pharmaceutical ingredients (API), but the majority of compounds now being developed for oral dosage forms have solubility and dissolving issues, which are major challenges in the development of oral dosage forms and the discovery of new drugs. Compounds with low water solubility-typically less than 0.1 mg/ml-present unusual difficulties for drug research. Absorption of the drug is constrained by solubilization and dissolution [2, 3]. The use of amorphous forms, co-solvation, and super disintegrants, as well as the preparation of drugs, the decrease of crystal size, the transformation of drugs into prodrugs, the impregnation of liquid API and its API solutions in porous powders, the use of surface-active self-emulsifying systems, micronization, the formation of inclusion complexes with cyclodextrin (CD), the preparation of amorphous drugs. Although it is normal practice to use salt production and particle size reduction to speed up oral absorption, both methods do have significant practical drawbacks [4-7]. With neutral chemicals and weak electrolytes, salt production is not possible. On the other hand, due to their poor wetting ability, very thin powders of hydrophobic medicines are challenging to dissolve in water. Liquid drug loading into porous powder, often known as "powder solutions," encounters problems with flow properties and compressibility [8, 9]. In this research article, solid dispersion (SD) of telmisartan (TLM) has been prepared as a combination of hydrophilic polymers and also studies the impact of various variables on drug release and entrapment efficiency [9].
SD is a technology for the formulation of a drug having low solubility. Particularly, the formation of SD technique has been effectively used to produce formulations, including pharmaceuticals with high drug content and/or high crystallization potential. SD is described as the drug being dispersed in an amorphous polymer matrix, preferably with the drug in a molecular form [10, 11]. TLM is an angiotensin receptor blocker of biopharmaceutical classification system class II drugs and is used to treat blood pressure and reduce the risk of cardiovascular diseases. TLM is categorized as a biopharmaceutical classification system (BCS) class II drug because of its poor water solubility and high permeability. TLM has a weak water solubility that causes a delay in the drug's oral bioavailability. TLM oral bioavailability would therefore increase if its solubility could be increased [12, 13]. TLM amphoteric nature and ease of ionizability suggest that its solubility is pH-dependent. TLM has been found to have a solubility of less than 1 g/ml in the pH range of 3 to 9. TLM pKa value was reported to be 4.45 [14, 15].
As TLM is a BCS class II drug, hence it is having low solubility; with the solid dispersion technique, wettability of the drug can be increased by using various hydrophilic polymers like PVP, PEG etc. Thus by using the solid dispersion technique solubility of low-soluble drugs can be enhanced significantly. So, this research aimed to improve the solubility and dissolution rate of Telmisartan using a solid dispersion technique with the help of an optimization approach.
TLM was obtained from Virchow drugs limited; PVP K25 and PEG 4000 were bought from Loba Chemie Pvt. Ltd. India. All additional compounds used in the study were chosen to be of the analytical grade and were used exactly as the manufacturer had intended. Telmitan® 20 mg, Batch no. ARBS0141 Nest Health Care Pvt Limited was procured from a community pharmacy. The structure of telmisartan is mentioned in fig. 1.

Fig. 1: Structure of telmisartan
Preparation and optimization of solid dispersion (SD)
SDs were prepared by solvent evaporation technique, drug equivalent to 20 mg was taken with different quantities of polymers in an adequate amount of methanol in a beaker and stirred with a magnetic stirrer for 30 min on a different rotation per minute (rpm) as given in the design of experiments (DoE) plan on digital magnetic stirrer with a hot plate (temp. not more than 40 °C). After that solvent was evaporated at 45 °C till complete evaporation. The solid dispersion prepared was pulverized in mortar and sieved. Thus SD was being prepared and equivalent to 20 mg of telmisartan encapsulated in a hard gelatine capsule shell [16]. Variables effect i.e., Polyvinylpyrrolidone K25 (PVP K25), Polyethylene glycol 4000 (PEG 4000), rotation per minute (rpm) of magnetic stirrer-on entrapment efficiency and drug release % in Phosphate Buffer (PB) pH 7.5 were being studied using a central composite design by Design Expert® software, version 11.0.4.0. The criteria and levels of independent variables that were picked are listed in table 1.
Table 1: Levels of independent variables
| Factor | Variables | Low level (-1) | Medium (0) | High level(+1) |
| A | PEG 4000 (mg) | 20 | 110 | 200 |
| B | PVP K 25 (mg) | 20 | 100 | 180 |
| C | Stirring time (RPM) | 100 | 200 | 300 |
Twenty trial runs were created using the design expert® software, version 11.0.4.0, as, in which the concentration of the polymers and rpm were changed while the amount of drug used remained the same. Experiments were performed for 20 twenty trials and the responses were examined using ANOVA p<0.05, by the best-fitting model. Drug dose was kept constant i.e. 20 mg [17-19].
In vitro dissolution studies of TLM SD
USP apparatus II (paddle) was used for the in vitro dissolution test. The dissolution medium was phosphate buffer (pH 7.5) at 37 °C±0.5 °C. 75 rpm was used in 900 milliliters of the dissolving media. After starting the rotation of the paddles, a capsule containing TLM SD formulation equivalent to 20 mg of TLM was added to the dissolution medium. Five-milliliter samples were taken out 10, 20, and 30 min later. Following sample collection, an equivalent volume of the new medium was added to the media to maintain a constant volume of dissolution. By using a UV Spectrophotometer at 296 nm, the samples were examined [20-22].
Entrapment efficiency (%)
SD equivalent to 20 mg was dissolved in 10 ml methanol and further volume was made up of phosphate buffer 7.5 up to 100 ml and a further 1 ml diluted up to 10 ml (20 ppm solution). Absorbance at 296 nm of all the trials was taken and the amount of TLM was determined, which was further compared with theoretical absorbance from the linearity plot of standard [23-25].

Characterization
Differential scanning calorimeter (DSC)
DSC was carried out on DSC Q10 V9.9 Build 303. Purified indium (99.99%) was used to calibrate the instrument. Models (5 mg) were sealed in an aluminum pan with a flat bottom (Shimadzu DSC-60, Japan). This pan was put into the DSC device and scanned at a rate of 10 °C/min between 30° and 300 °C. With a flow rate of 10 ml/min, nitrogen was utilised as a carrier gas to completely reverse the oxidative and pyrolytic effects [26-28].
Fourier-transform infrared spectroscopy (FT-IR) studies
FT-IR can be used to characterise potential interactions between API and carrier in the solid state. The FT-IR was obtained using an FT-IR Spectrophotometer (The FT-IR of the inclusion complexes was performed on (FT-IR Bruker Shimadzu, Japan) and a dried sample of pure TLM, PEG 4000, PVP K 25, physical mixing, and SD-formulation. The observed peaks are identified for the functional group [29].
X-ray diffraction (XRD) analysis
A technique for examining the atomic or molecular structure of materials is XRD. It is non-destructive and works well with totally or partly crystalline materials. Holding the taster firmly in place while pressing the stage-up button with the other hand locks the sample into place on the instrument. According to the protocol, the slits in the "anti-scattering" and "detector" locations are checked. The doors then slowly and softly connect as they move together. After locking the doors, the computer expands "XRD commander" and, if necessary, increases power. An automatic save is done after the scan. After the task is complete, the taster is taken out and the enclosure's doors are shut. The XRD spectra of the pure TLM, PEG 4000, PVP K 25, PM and optimised formulation were recorded at room temperature using XRD (X’Pert XRD Powder type PW 30/40 panalytical, the Netherlands) with a voltage of 40 kV, 40 mA current and degree of crystallinity determined [30, 31].
Scanning electron microscopy (SEM) analysis
A targeted electron beam is used to scan a sample's surface in a scanning electron microscope (SEM), which creates pictures of the sample. The sample's surface topography and chemical composition are revealed by the signals that are created as a result of the electron interactions with the sample's atoms. Because of its excellent resolution and high magnification, a physicochemical characterisation is a helpful approach that is frequently used to evaluate the solid-state characteristics of medications, polymers, and formulations. Scanning electron micrographs were then taken using a JEOL JSM 6510 SEM (made in Japan). For pure TLM, PEG 4000, PVP K 25, physical mixing, and SD-formulation, scanning electron microscopy was used [32, 33].
Stability studies
Stability study is the most crucial evaluation component for the creation of a pharmaceutically effective product. Any dosage form's potential capacity to continue meeting the necessary physical, chemical, toxicological, and therapeutic requirements is referred to as its stability. SD formulation was charged at accelerated stability condition as per ICH i.e. 40±2 °C/75±5% RH condition for up to 3 mo in a stability chamber manufactured by Thermolab, and an assay of the formulation was determined [34-36].
Analytical method of dissolution profile comparison of SD formulation with marketed product


The optimized SD formulation was compared with the marketed formulation. Telmitan® 20 mg, (Nest Health Care Pvt Limited) for in vitro drug release using dissolution media–Phosphate buffer pH 7.5, USP II apparatus, the volume of media 900 ml, rpm-75, UV-296 nm. For comparative release profile assessment, both the similarity and difference factors (F1) (F2) were calculated as mentioned in the below equations:


Where
Rt = Percent release for commercial formulations at various times (Reference product)
Tt = Percentage releases for different time points for SD formulation
n = The quantity of intervals in the drug release profile
Two formulations are considered to have similar profiles if the similarity factor (F2) is between 50 and 100 and the difference factor (F1) is between 0 and 15. The similarity factor (f2) indicates that the profiles of two formulations are different if it is less than 50 [37-39].
Characterization of the SD
Using a central composite design, a total of 20 different TLM SD formulations were prepared, with different concentrations of PEG 4000, PVP K25 and different stirring times. To determine the effectiveness on drug entrapping and drug release, all batches were subjected to analysis. Polynomial equations, contour plots, and 3D response plots were used to analyse the influence of variables on the responses. The effect of variables on both responses was discussed in table 2. For each response, the analysis of variance of test was used to determine the probability value (p). p<0.05 was regarded as the most significant level of probability.
Effect of variables on both the response
The linear model was found significant with an F value of 15.61, besides the effect of main variables was also determined. The p Value for model term A, B and C was found to be less than 0.05. In this case, all factors were significant and concentration of PEG 4000 was found highly significant.
Table 2: Central composite design TLM SDs using solvent evaporation technique
| Formulation code | Run | Factor 1 | Factor 2 | Factor 3 | Response 1 | Response 2 |
| A (PEG 4000) mg | B (PVP k25) mg | C (Stirring time) rpm | Drug release* | Entrapment efficiency (%)* | ||
| SD-1 | 1 | 20(-1) | 180(+1) | 300(+1) | 78±0.6 | 84±0.3 |
| SD-2 | 2 | 200(+1) | 20 (-1) | 100(-1) | 85±0.8 | 88±0.2 |
| SD-3 | 3 | 110 (0) | 100 (0) | 200(0) | 86±0.5 | 87±0.7 |
| SD-4 | 4 | 110 (0) | 100 (0) | 200(0) | 86±0.3 | 88±0.5 |
| SD-5 | 5 | 110 (0) | 100 (0) | 568(+1.68) | 85±0.8 | 89±0.5 |
| SD-6 | 6 | 200 (+1) | 180 (+1) | 300(+1) | 95±0.4 | 98±1.1 |
| SD-7 | 7 | 110 (0) | 100 (0) | 200(0) | 87±0.6 | 89±0.4 |
| SD-8 | 8 | 110 (0) | 13.6 (-1.68) | 200(0) | 79±0.9 | 83±0.8 |
| SD-9 | 9 | 336 (+1.68) | 100 (0) | 200(0) | 95±0.7 | 99±0.8 |
| SD-10 | 10 | 110 (0) | 100 (0) | 200(0) | 86±0.6 | 88±0.5 |
| SD-11 | 11 | 110 (0) | 302.4 (1.68) | 200(0) | 86±0.5 | 91±0.7 |
| SD-12 | 12 | 20 (-1) | 20 (-1) | 100(-1) | 70±0.8 | 75±0.4 |
| SD-13 | 13 | 20 (-1) | 20(-1) | 300(+1) | 72±0.2 | 75±0.3 |
| SD-14 | 14 | 13.6 (-1.68) | 100 (0) | 200(0) | 75±0.6 | 79±0.9 |
| SD-15 | 15 | 110 (0) | 100 (0) | 32(-1.68) | 65±0.1 | 72±0.3 |
| SD-16 | 16 | 200(+1) | 180 (+1) | 100(-1) | 91±0.4 | 95±0.6 |
| SD-17 | 17 | 20(-1) | 180 (+1) | 100(-1) | 75±0.4 | 82±0.7 |
| SD-18 | 18 | 200(+1) | 20 (-1) | 300(+1) | 86±0.2 | 90±0.1 |
| SD-19 | 19 | 110 (0) | 100(0) | 200(0) | 88±0.3 | 92±0.8 |
| SD-20 | 20 | 110 (0) | 100 (0) | 200(0) | 85±0.4 | 88±0.6 |
*The results are presented in mean±SD (n=3)
Table 3: ANOVA table of regression (drug release and entrapment efficiency)
| Source | Model type | Sum of Squares | Degree of freedom | Mean Square | F-value | p-value | Remarks |
| Y1 | Linear | 1041.14 | 3 | 347.05 | 15.61 | <0.0001 | Significant |
| Y2 | 2FI | 919.15 | 6 | 153.19 | 35.19 | <0.0001 | Significant |
Y1 = Drug release and Y2 = Entrapment efficiency
The polynomial equation of drug release in terms of actual factor is as follows.
Drug release =86.32+7.64*(A)+2.91*(B)+3.34*(C)+0.75*(A*B)+ 0.25*(B*C)+0.75*(B* C)+0.35*(B)2-1.24*(B)2-3.89(C)2
Drug release equation demonstrated that PEG was having the greatest impact on the drug release as shown by its highest coefficient in the equation and least p-value. Fig. 2 demonstrates the effect of various variables on drug release. Concentration of polymers and RPM were having a significant impact on the drug release. Also, the diagnostic plot showed the normal distribution of studentized residuals.
Similarly, for entrapment efficiency 2FI model was found significant with F value of 35.19, besides, the effect of main variables was also determined. The p Value for model term A, B and C was found to be less than 0.05; in this case, all factors were significant.
The polynomial equation of drug release in terms of actual factor is as follows.
Entrapment efficiency =+65.23153+0.096807* A+0.083613* B+0.001454* C-0.000365 (A*B)+0.000014 (A*C)+0.000078 (B*C).
The above equations show that variables were having a significant impact on the response. Below fig. 2 demonstrates the effect of various variables on drug release and entrapment efficiency. Concentration of polymers and RPM were having a significant impact on both responses. Also, diagnostic plot showed the normal distribution of studentized residuals.
The effect of all three variables on the responses was studied through contour plots, 3D surface response plots and analysis of variance was also applied to study the significance of the model. The model was found significant for both responses as p Value is less than 0.05, which shows that factors selected have a significant impact on the response. A formulation which was having PEG 4000 (110 mg), PVP k25 (100 mg) and RPM (200) was considered an optimized formulation, as the relatively lesser amount of polymers significant release was achieved, SD formulations having code SD-3, SD-4, SD-7, SD-10, SD-19 and SD-20 were having this polymer and RPM combination. Further, SD-20 was taken as an optimized formulation.
(a) |
(b) |
(c) |
(d) |
(e) |
(f) |
Fig. 2: 3D and contour plot of both responses (a) 3D plot response plot drug release (b) 3D plot response plot entrapment efficiency (c) Contour Plots for drug release (d) Contour Plots for entrapment efficiency (e) Diagnostic plot for drug release (f) Diagnostic plot for entrapment efficiency
DSC studies
Due to its capacity to offer comprehensive details about a substance's physical and energetic properties, DSC may be defined as the thermal analysis method [25].
It is the most popular thermal approach for characterizing SD, it offers precise data on M. P., the transition temperature of the glass (Tg), and the generation and changes of energy connected to the transitions phase, which includes crystallization and union processes. Fig. 3 specifies the thermal analysis data of drug-polymer, PM, and optimised SD formulation.
(a) |
(b) |
(c) |
(d) |
(e) |
Fig. 3: DSC Thermograms of (a) Drug (b) PEG 4000 (c) PVP K25 (d) Physical mixture of drug and polymers (e) Optimised SD formulation
All TLM crystals were heated at that temperature, and no moisture was absorbed owing to the strong hydrophobicity of pure TLM, which displayed a sharp endothermic peak at 271.65 °C, which resembled its inherent melting point. PVP K25 and PEG 4000 both displayed an endothermic band that was relatively broad at 132.90 °C and 54.90 °C, respectively. DSC had also been performed for PM of drug and polymers and Optimized SD-formulation. Polymers showed no interference peak with API in PM, which confirmed the identification and compatibility between drug and selected polymers. In the DSC of SD formulation, the disappearance of the API peak reflected the changes in API after conversion into the formulation.
FT-IR studies
The identification of the drug and polymers was confirmed by the transitions of several functional groups in the IR spectra of the drug and polymers. FT-IR peaks of TLM showed characteristic peaks at 1690 cm-1(C= stretching), 1301 cm-1(C-N stretching), 1455 cm-1(CH3 bending) and 3135 cm-1(OH-Stretching). IR spectra of PVP K 25 reflected the peaks at 1274 cm-1 (C-N stretching), 1658 cm-1(C=O stretching) and 2945 cm-1(C-H stretching) which confirmed the identity of polymer. Similarly, FTIR spectra of PEG 4000 showed characteristic peaks at 2878 cm-1 (methylene group), 1340 cm-1 and 1277 cm-1 (C-O stretching), 950 cm-1 (C-C stretching) and 838 cm-1 (C-H bending). IR Spectrogram of PM of drug and polymers was also assessed. It was showing no significant changes in the transition peaks which confirmed that there was no interaction of polymers with the drug and demonstrated the compatibility of drug and excipients. IR Spectrogram of formulation was showing changes that occurred in the transitions due to conversion of drug into SD formulations as shown in fig. 4.
(a) |
(b) |
(c) |
(d) |
(e) |
Fig. 4: IR spectrogram of (a) Drug (b) PEG 4000 (c) PVP K25 (d) Physical mixture of drug and polymers (e) Optimised SD formulation
XRD studies
XRD studies were performed for pure TLM, PEG 4000, PVP K 25, PM and SD formulation. Characteristic high-intensity peaks appeared in the XRD for TLM. The sharp XRD peaks of drugs indicated the crystalline nature, while polymers XRD were not having sharp peaks like drug indicating the less crystalline nature of polymers. XRD of PM reflected the compatibility between the drug and polymers. Further, after processing into the SD, instead of sharp characteristics peaks, flat curve was observed, which reflected the amorphous nature of formulation as shown in fig. 5.
(a) |
(b) |
(c) |
(d) |
(e) |
Fig. 5: XRD of (a) Drug (b) PVP K25 (c) PEG 4000 (d) Physical mixture of drug and polymers (e) Optimised SD formulation
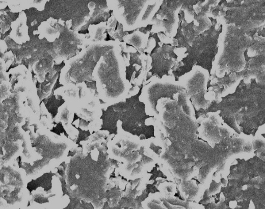
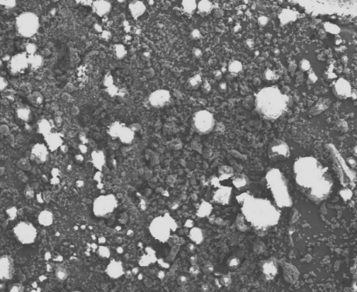
Scanning electron microscopy
The morphological characteristics of TLM, PEG 4000, PVP K25, PM and Optimized SD-formulation were examined by SEM. SEM image of TLM showed small shaped irregular crystals. Additionally, the SEM images of PEG 4000 showed flat crystals of PEG 4000 with irregular edges, PVP K25 would show circular shaped round edges crystals, while the PM showed a mixture of all three. SD formulation showed the complete loss of structure of the drug and showed oozing waxy appearance. The waxy appearance reveals that the drug was completely enclosed in the polymer matrix. Fig. 6 shows the visual changes in drug and SD formulation. SD formulation indicated that changes happened with the drug after conversion in the form of SD formulation.
Stability studies
The optimised SD formulation was charged under accelerated stability conditions of 40 °C±2 °C/75%±5% Relative Humidity (RH) as per ICH condition. For stability assessment assay was determined at initial, 1 mo, 2 and 3 mo. No decreasing trend was observed in the assay over stability, which reflected no degradation of the main component. Assay value of SD formulation for initial time point was 98.64 % and for 3 mo 98.61 % was observed as given in table 4. No decrease in assay value depicted that the formulation was stable.
Table 4: Results of assay on various stability stations (n=3)
| Time period (40 °C/75%RH) | Assay (%) |
| Initial | 98.64±.0.08 |
| 1 Mo | 98.44±0.23 |
| 2 Mo | 98.42±0.34 |
| 3 Mo | 98.61±0.41 |
*The results are presented in mean±SD (n=3)
(a) |
(b) |
(c) |
(d) |
(e) |
Fig. 6: SEM images (along with magnification) of (a) Drug (x140) (b) PVP K25 (x90) (c) PEG 4000 (x1500) (d) Physical mixture of drug and polymers(x30) (e) Optimised SD formulation (x270)

Fig. 7: Comparative drug release profile of SD-Formulation with the marketed product (n=3)
Comparison with marketed formulation
Dissolution profiles were compared with the marketed product (Telmitan 20 mg, Nest Health Care Pvt Limited), following data was observed. Drug release observed in SD formulation was similar to the marketed formulation, for both profiles, difference factor (F1) and similarity factor (F2) were calculated. If the similarity factor (F2) was between 50 and 100 and the difference factor (F1) was between 0 and 15, then two formulas' profiles are said to be similar. In the case of the aforementioned profile, the F2 value was 81 and the F1 value was 3. Hence both profiles were considered similar. Fig. 7 discusses the comparative drug release profile of SD formulation with marketed formulation.
Similar results were reported in the previously conducted study by Jalpairai et al., 2020; Giri et al., 2021 and Patel et al., 2012 [40-42].
The formulation of the SD of TLM using a solvent evaporation method was found to be an effective and suitable method to improve drug dissolution. DoE was implemented with different concentrations of hydrophilic polymers PEG 4000 and PVP k25 at different rpm. Selected variables were found to have a significant impact on the responses (drug release and entrapment efficiency). Statistical analysis was performed on the results of DoE and found that variables selected were having a p-value less than 0.05% indicating that variables selected in the DoE study were having a significant impact on the selected responses. The optimized SD formulation was further characterized by FT-IR, DSC, XRD and which reflected the changes that occured in drug after conversion into the SD formulation. The drug was in the crystalline form after processing in SD, formulation resulted in amorphous nature. Polymers used in the trials increased the wettability of drug due to their hydrophilic nature which further improved the drug release. SD formulation was also found stable over accelerated conditions of stability as per ICH guidelines. Drug release profile study showed similar results as compared with the marketed product. So, it can be concluded that the specified ratio of polymers PEG 4000 and PVP K25 at specified rpm of stirrer were found to be effective to improve the drug release of TLM through SD technique.
Solid dispersion-SD, Telmisartan-TLM, Polyethylene glycol 4000-PEG 4000, Polyvinylpyrrolidone K25-PVP K25, Rotation per minute-RPM, Design of experiment-DoE, Fourier-transform infrared spectroscopy-FT-IR, Differential scanning calorimetry-DSC, Scanning electron microscopy-SEM, X-ray diffraction-XRD, Phosphate buffer-PB, Physical mixture-PM, Relative humidity-RH
The Authors are thankful to the Department of Pharmaceutical Sciences, Maharshi Dayanand University, Rohtak for providing the funding to carry out this research. The authors are also thankful to Auriga Research Labs, Panchkula, India for providing the facility for stability studies.
Nil
Ritu Kaushik: Writing-Original Draft Preparation, Conceptualization; Ravinder Verma: Software, Writing-Review and Editing, Data Curation; Vikas Budhwar: Conceptualization; Deepak Kaushik: Conceptualization, Supervision. All authors have read and agreed to publish the manuscript.
Declared none
Sharma KS, Sahoo J, Agrawal S, Kumari A. Solid dispersions: a technology for improving bioavailability. JAPLR 2019;8(4):127-33. doi: 10.15406/japlr.2019.08.00326.
Sugawara M, Singh N. The use of an in vitro dissolution and assimilation system to evaluate oral assimilation of two weak bases in pH-independent controlled-discharge formulations. Eur J Pharm Sci. 2011;26:1-8. doi: 10.1016/j.ejps.02.017.
Vemula VR, Lagishetty V, Lingala S. Solubility enhancement approaches. Int J Pharm Sci Rev Res Dev. 2010;5(1):41-51.
Arora SC, Sharma PK. Development, characterization and solubility study of SD of cefixime trihydrate by solvent evaporation method. Int J Drug Dev Res. 2010;2:424-30.
Chiou WL, Riegelman S. Preparation and dissolution characteristics of several fast-release solid dispersions of griseofulvin. J Pharm Sci. 1969;58(12):1505-10. doi: 10.1002/jps.2600581218. PMID 5353269.
Kaushik R, Budhwar V, Kaushik D. An overview on recent patents and technologies on solid dispersion. Recent Pat Drug Deliv Formul. 2020;14(1):63-74. doi: 10.2174/1872211314666200117094406, PMID 31951172.
Sarangi MK, Singh N. Solid dispersion-a novel approach for enhancement of bioavailability of poorly soluble drug in oral drug delivery system. Glob J Pharmaceutical Sci. 2017;3(2):22-33.
Shaikh A, Bhide P, Nachinolkar R. Solubility enhancement of celecoxib by solid dispersion technique and incorporation into topical gel. Asian J Pharm Clin Res. 2019;12(2):294-300. doi: 10.22159/ajpcr.2019.v12i2.29784.
Sehgal N, Gupta NV, Dv G, PS. Fabrication and evaluation of solid dispersion containing glibenclamide. Asian J Pharm Clin Res. 2018;11(8):158-61. doi: 10.22159/ajpcr.2018.v11i8.26236.
Kumar A, Sahoo SK, Padhee K. Review on solubility enhancement approaches for hydrophobic drugs. Int J Comp Pharm. 2011;3:1-7.
Leuner C, Dressman J. Improving drug solubility for oral delivery using solid dispersions. Eur J Pharm Biopharm. 2000;50(1):47-60. doi: 10.1016/S0939-6411(00)00076-X, PMID 10840192.
Leuner C, Dressman J. Improving drug solubility for oral delivery using SDs. Eur J Pharm Biopharm. 2001;50:45-50.
Verma R, Kaushik D. Development, optimization, characterization and impact of in vitro lipolysis on drug release of telmisartan loaded SMEDDS. Drug Deliv Lett. 2019;9(4):330-40. doi: 10.2174/2210303109666190614120556.
Cao Y, Shi LL, Cao QR, Yang M, Cui JH. In vitro characterization and oral bioavailability of organic solvent-free solid dispersions containing telmisartan. Iran J Pharm Res. 2016;15(2):385-94. PMID 27642309.
Borbas E, Nagy ZK, Nagy B, Balogh A, Farkas B, Tsinman O. The effect of formulation additives on in vitro dissolution-absorption profile and in vivo bioavailability of telmisartan from brand and generic formulations. Eur J Pharm Sci. 2018;114:310-7. doi: 10.1016/j.ejps.2017.12.029, PMID 29305981.
Tran PHL, Tran HTT, Lee BJ. Modulation of microenvironmental pH and crystallinity of ionizable telmisartan using alkalizers in solid dispersions for controlled release. J Control Release. 2008;129(1):59-65. doi: 10.1016/j.jconrel.2008.04.001, PMID 18501462.
Chandra A, Ghate MV, Aithal KS, Lewis SA. In silico prediction coupled with in vitro experiments and absorption modeling to study the inclusion complex of telmisartan with modified beta-cyclodextrin. J Incl Phenom Macrocycl Chem. 2018;91(1-2):47-60. doi: 10.1007/s10847-018-0797-x.
Zhong L, Zhu X, Luo X, Su W. Dissolution properties and physical characterization of telmisartan−chitosan solid dispersions prepared by mechanochemical activation. AAPS PharmSciTech. 2013;14(2):541-50. doi: 10.1208/s12249-013-9937-1.
Pandey P, Chellappan DK, Tambuwala MM, Bakshi HA, Dua K, Dureja H. Central composite designed formulation, characterization and in vitro cytotoxic effect of erlotinib loaded chitosan nanoparticulate system. Int J Biol Macromol. 2019;141:596-610. doi: 10.1016/j.ijbiomac.2019.09.023. PMID 31494160.
Leuner C, Dressman J. Improving drug solubility for oral delivery using solid dispersions. Eur J Pharm Biopharm. 2000;50(1):47-60. doi: 10.1016/s0939-6411(00)00076-x, PMID 10840192.
Mannem V, Suryadevara V, Doppalapudi S. Formulation and evaluation of telmisartan solid dispersions using Entada scandens seed starch and poloxamer-188 as superdisintegrants. Asian J Pharm Clin Res. 2018;11(9):474-81. doi: 10.22159/ajpcr.2018.v11i9.28422.
Craig DQ. The mechanisms of drug release from solid dispersions in water-soluble polymers. Int J Pharm. 2002;231(2):131-44. doi: 10.1016/s0378-5173(01)00891-2, PMID 11755266.
Chauhan H, Hui-Gu C, Atef E. Correlating the behavior of polymers in solution as precipitation inhibitor to its amorphous stabilization ability in solid dispersions. J Pharm Sci. 2013;102(6):1924-35. doi: 10.1002/jps.23539, PMID 23580406.
Smikalla MM, Urbanetz NA. The influence of povidone K17 on the storage stability of solid dispersions of nimodipine and polyethylene glycol. Eur J Pharm Biopharm. 2007;66(1):106-12. doi: 10.1016/j.ejpb.2006.08.018, PMID 17055711.
Pignatello R, Ferro M, Puglisi G. Preparation of solid dispersions of nonsteroidal anti-inflammatory drugs with acrylic polymers and studies on mechanisms of drug-polymer interactions. AAPS PharmSciTech. 2002;3(2):E10. doi: 10.1208/pt030210. PMID 12916947.
Mahmood HSh, Almusawi JM, Alaayedi MH, Obaiss MK, Mahdi Sura S, Abdulmahdi Ml. Formulation and evaluation of flurbiprofen solid dispersion formulation and evaluation of flurbiprofen solid dispersion. Ijppr Hum. 2016;7(3):78-90.
Verma R, Mittal V, Kaushik D. Self-micro emulsifying drug delivery system: a vital approach for bioavailability enhancement. Int J ChemTech Res. 2017;10(7):515-28.
Sekiguchi K, Obi N. Studies on absorption of the eutectic mixture. I. A comparison of the behavior of eutectic mixture of sulfathiazole and that of ordinary sulfathiazole in man. Chem Pharm Bull. 1961;9(11):866-72. doi: 10.1248/cpb.9.866.
Chiou WL, Riegelman S. Pharmaceutical applications of solid dispersion systems. J Pharm Sci. 1971;60(9):1281-302. doi: 10.1002/jps.2600600902, PMID 4935981.
Craig DQM. The mechanisms of drug release from solid dispersions in water-soluble polymers. International Journal of Pharmaceutics. 2002;231(2):131-44. doi: 10.1016/S0378-5173(01)00891-2.
Okonogi S, Oguchi T, Yonemochi E, Puttipipatkhachorn S, Yamamoto K. Improved dissolution of ofloxacin via SD. Int J Pharm. 1997;156:175-80. doi: 10.1016/S.0378-5173(97)00196-8
Majerik V, Charbit G, Badens E, Horvath G, Szokonya L, Bosc N. Bioavailability enhancement of an active substance by supercritical antisolvent precipitation. J Supercrit Fluids. 2007;40(1):101-10. doi: 10.1016/j.supflu.2006.03.027.
Verma R, Kaushik A, Almeer R, Rahman MH, Abdel-Daim MM, Kaushik D. Improved pharmacodynamic potential of rosuvastatin by self-nano emulsifying drug delivery system: an in vitro and in vivo evaluation. Int J Nanomedicine. 2021;16:905-24. doi: 10.2147/IJN.S287665, PMID 33603359.
Cutler L, Howes C, Deeks NJ, Buck TL, Jeffrey P. Development of a P-glycoprotein knockout model in rodents to define species differences in its functional effect at the blood-brain barrier. J Pharm Sci. 2006;95(9):1944-53. doi: 10.1002/jps.20658, PMID 16850390.
Serajuddin AT. Solid dispersion of poorly water-soluble drugs: early promises, subsequent problems, and recent breakthroughs. J Pharm Sci. 1999;88(10):1058-66. doi: 10.1021/js980403l. PMID 10514356.
Pouton CW. Formulation of poorly water-soluble drugs for oral administration: physicochemical and physiological issues and the lipid formulation classification system. Eur J Pharm Sci. 2006;29(3-4):278-87. doi: 10.1016/j.ejps.2006.04.016, PMID 16815001.
Muhrer G, Meier U, Fusaro F, Albano S, Mazzotti M. Use of compressed gas precipitation to enhance the dissolution behavior of a poorly water-soluble drug: generation of drug microparticles and drug-polymer solid dispersions. Int J Pharm. 2006;308(1-2):69-83. doi: 10.1016/j.ijpharm.2005.10.026, PMID 16324806.
Johari GP, Kim S, Shanker RM. Dielectric studies of molecular motions in amorphous solid and ultraviscous acetaminophen. J Pharm Sci. 2005;94(10):2207-23. doi: 10.1002/jps.20455, PMID 16136559.
Wang X, Michoel A, Van den Mooter G. Solid state characteristics of ternary solid dispersions composed of PVP VA64, Myrj 52 and itraconazole. Int J Pharm. 2005;303(1-2):54-61. doi: 10.1016/j.ijpharm.2005.07.002. PMID 16105723.
Al-Japairai KAS, Alkhalidi HM, Mahmood S, Almurisi SH, Doolaanea AA, Al-Sindi TA. Lyophilized amorphous dispersion of telmisartan in a combined carrier–alkalizer system: formulation development and in vivo study. ACS Omega. 2020;5(50):32466-80. doi: 10.1021/acsomega.0c04588, PMID 33376884.
Giri BR, Kwon J, Vo AQ, Bhagurkar AM, Bandari S, Kim DW. Hot-melt extruded amorphous solid dispersion for solubility, stability, and bioavailability enhancement of telmisartan. Pharmaceuticals (Basel). 2021 Jan 18;14(1):73. doi: 10.3390/ph14010073, PMID 33477557, PMCID PMC7831136.
Patel B, Parikh RH, Swarnkar D. Enhancement of dissolution of Telmisartan through use of solid dispersion technique–surface solid dispersion. J Pharm Bioallied Sci. 2012 Mar;4Suppl 1:S64-8. doi: 10.4103/0975-7406.94142, PMID 23066211.