School of Pharmacy, Monash University Malaysia, Jalan Lagoon Selatan, 46150 Bandar Sunway, Selangor Darul Ehsan, Malaysia.
Email: msaravanan72@hotmail.com
Received: 04 Oct 2014 Revised and Accepted: 05 Nov 2014
ABSTRACT
Objective: The purpose of the present investigation is to develop a simple colorimetric estimation of magnetite from magnetic microspheres.
Methods: Emulsification and cross-linking technique was used to prepare 5-fluorouracil loaded chitosan magnetic microspheres. The microspheres were evaluated using optical microscopy, scanning electron microscopy and X-ray diffraction. A modified colorimetric method was employed to determine magnetite content of chitosan microspheres with and without the drug. Microspheres were digested by HCl to convert magnetite into ferrous/ferric ions. Absorbance of yellow coloured complex of these ions with sulfosalicylic acid at alkaline pH was measured to quantify magnetite at 425 nm. The determination of magnetite by the colorimetry validated through a thermogravimetric analysis of the same samples.
Results: The presences of magnetite in the microspheres were qualitatively confirmed by the photomicrograph, scanning electron microscopy, and X-ray diffraction studies. Colorimetric determination of magnetite content of the drug loaded, and unloaded chitosan microspheres were 21.5 and 20.6%w/w, respectively. The magnetite content of the same samples estimated by thermogravimetric analysis was 22.5 and 19.1%w/w, correspondingly, which were much closer to the colorimetric estimation. The drug loading in the microsphere was 12.35% w/w, and the X-ray diffraction analysis confirms amorphous nature of the loaded drug.
Conclusion: The proposed colorimetric quantification of magnetite is simple cost-effective and could be useful in determining magnetite content of magnetically targeted drug-delivery systems.
Keywords: Magnetite, Colorimetry, Magnetic Microspheres, Thermogravimetric analysis, Sulfosalicylic acid.
INTRODUCTON
Targeted drug delivery enhances the therapeutic effect and minimizes the toxic effect as the drug is available only at the target site. Magnetic targeting of drugs achieved using magnetic micro/nanoparticles loaded with drug and subsequent localization near the target with the help of a magnet [1]. Magnetic property of the drug-delivery system is important because the retention is depending on magnetic force, which should exceed the biological force such as blood pressure or intestinal motility for anchoring effect. It has been reported that magnetite content of 33% w/w is required to localize magnetic microspheres in an artery with a magnet of 8000 G field strength [1]. Hence, it is important in order to quantify the magnetic content in the microspheres.
Atomic absorption spectroscopy [1] and thermogravimetric analyses [2] are employed to quantify magnetite content in the drug-delivery systems. Alternatively, magnetometers [3] are used to quantify magnetic property of magnetite loaded particles. These methods require expensive instruments and as an alternative, a spectrophotometric method [4] was developed by Silva-Freitas et al., to measure magnetite in Eudragit based particles. In the present investigation, the method is modified to estimate magnetite content in cross-linked chitosan particles. The colorimetric quantification of magnetite compared with routine [2] thermogravimetric analysis (TGA) to find out its applicability in drug loaded magnetic chitosan microspheres. In addition, the presence of magnetite in the microspheres qualitatively determined by X-ray diffraction (XRD) and scanning electron microscope (SEM).
Material and Methods
Materials
5-fluorouracil (5FU)was purchased from Easybuyer Ltd., Shanghai, China. Chitosan from the shrimp shell (Brookfield viscosity > 200.000 cps) and iron (II, III) oxide (98%), were obtained from Sigma-Aldrich, USA. Ethyl alcohol (99.8% v/v), glutaraldehyde (25% aqueous solution), petroleum ether, polyoxyethylenesorbitan monostearate, sodium lauryl sulphate, sorbitan monolaurate, sulfosalicylic acid (SAS) and toluene were obtained from R & M Chemicals, U. K. Glacial acetic acid and liquid paraffin (kinematic viscosity not more than 30 cpsat 37.8°C)were purchased from Systerm, Malaysia. All other chemicals used were of analytical grade.
Preparation of microspheres
Magnetic chitosan microspheres were prepared by emulsification and cross-linking technique [5]. One gram of chitosan and 0.1125 g of polyoxyethylenesorbitan monostearate was dissolved in 50 ml of 5% acetic acid solution with 2% NaCl. Respective amount of iron (II, III) oxide (magnetite) and 5FUas mentioned in table 1 were made into an uniform paste with five ml of chitosan solution in a mortar. Remaining quantity of chitosan solution was added gradually into the mortar and triturated well. The mixture was then transferred into a beaker and sonicated (Hielscher Ultrasound Technology) at amplitude 80 for 2 min to produce uniform dispersion of magnetite in the chitosan solution. After cooling, the dispersion was emulsified in 50 ml of petroleum ether and 250 ml of liquid paraffin containing 1.5 g of sorbitan monolaurateat 5000 rpm for 5 min using a homogeniser (POLYTRON® PT 6100, Kinematica, USA). Then the stabilised emulsion was stirred by a digital overhead stirrer at 1000 rpm for 5 min and 10 ml of toluene saturated with glutaraldehyde was added drop-wise. The stirring was continued for one h for the cross-linking of chitosan to form microspheres. The microspheres were filtered and thoroughly washed with petroleum ether to remove liquid paraffin. Then the microspheres were washed with 5% sodium metabisulfite and 0.1% sodium lauryl sulphate. Finally, the microspheres were washed twice with distilled water, and once with isopropyl alcohol. The microspheres were oven dried at 40°C. Glutaraldehyde was used as cross-linking agent and sodium metabisulfite were used as a quenching agent. Anionic surfactant, sodium lauryl sulphate was utilized to remove residual oil and prevent the aggregation of cationic chitosan microspheres.
Table 1: Physicochemical parameters of chitosan microspheres
Batch |
CHI (g) |
5FU |
Mag |
Theoretical content (% w/w) |
Actual content (% w/w) (n= 3 ± s. d) |
|||
5FU |
Magnetite |
|||||||
5-FU |
Mag |
Colorimetric |
TGA |
|||||
1 |
1 |
0.25 |
0.55 |
13.9 |
30.6 |
12.35 ± 0.92 |
21.5 ± 0.83 |
22.5 ± 0.64 |
2 |
1 |
- |
0.438 |
22.2 |
30.4 |
- |
20.6 ± 0.36 |
19.1 ± 0.82 |
*CHI-chitosan, Mag-magnetite
Determination of drug content
One-hundred mg of drug-loaded microspheres was digested in 10 ml of 3NNaOH kept in 20 ml test tubes. The tubes were stirred at 100 rpm at 50°Cfor 5 h in an incubator shaker. One-hundred mg of 5FU and 100 mg of unloaded magnetite microspheres was added into another 10 ml of 3N NaOH to serve as a standard. Then, aqueous suspensions were sonicated at amplitude 70 for 1 min to rupture the microspheres, filtered, and diluted to 100 ml with distilled water in a volumetric flask. The 5FU content of the microspheres was determined by measuring absorbance at 270 nm [6] using a UV-visible spectrophotometer (UV-1800,Shimadzu, Japan). Drug entrapment efficiency (DEE) was calculated as follows:
DEE = (Experimental drug loading/Theoretical drug loading) x 100 (1)
Morphology and scanning electron microscopy
Photomicrographs were taken by using an Olympus BX41 microscope. A Hitachi S-3400N scanning electron microscope (SEM) was used to study the shape, size and surface morphology of the microspheres. Samples were initially coated with a thin layer of platinum using a quorum Q150RD SEM sputter coating system before being observed under SEM.
X-ray diffraction
An Olympus In Xitu BTXII X-ray diffraction apparatus was used to record the X-ray diffraction patterns. Each sample was screened through a 150 µm sieves and loaded into the device via the sample spinner assembly. A cobalt target X-ray tube which operates at 30 kV and 330 µ A was used in the analysis. A 25 min acquisitions produced the diffractograms over a 2θ range.
Determination of magnetite content
To determine magnetite content, a method [4] reported by Silva-Freitas et al., was modified to suit chitosan microspheres. As the microspheres were cross-linked, aggressive stirring, and ultrasonication was used to ensure complete dissolution of magnetite. Higher strength of HCl (1N) was used along with the definite stirring and ultrasonication conditions. The stirring at 50 rpm and 40ºC during the dissolution ensured complete solubilization of magnetite. One hundred mg of magnetite-containing microspheres was added to a 100 mL volumetric flask containing 100 mL of 1N HCL and incubated for two days at 50 rpm, 40°C in a water bath shaker. The contents of the flasks were sonicated (Hielscher Ultrasound Technology, amplitude 80 for 2 min) thrice with a 5 min interval, and the incubation was continued for another eight days. Then the content was cooled, filtered and made up to 100 ml with distilled water. Ten ml of the resulting solution was diluted to 100 ml with distilled water, Five ml of the diluted solution was transferred into a 25 mL volumetric flask containing 750 µL of 10% w/v sulfosalicylic acid (SAS) and stirred for 2 min. Then, 750 µL of 25% w/v ammonia solution was added before the flask was topped up to volume with distilled water. The absorbance of total iron complex was measured using a spectrophotometer at 425 nm against the reagent blank.
Thermogravimetric analysis
Thermogravimetric analysis (TGA) of magnetite in the microspheres [2] was carried out in a thermogravimetric analyser (TGA Q50, TA Instruments, USA). Samples were dried overnight at 40°C to omit moisture content. Three mg of the sample was heated at the rate of 25°C/min up from 20-900°C under constant nitrogen flow.
Results andDiscussion
Preparation of microspheres and evaluation of drug loading
Polyoxyethylene sorbitan was added to maintain uniform distribution of magnetite in the chitosan solution, as well as an emulsifying agent. Sorbitan monolaurate was used to emulsify magnetite-chitosan dispersion in liquid paraffin. Addition of petroleum ether reduces the viscosity of liquid paraffin to ease the recovery of magnetic microspheres by filtration. As shown in table 1, the 5FU loading in the microsphere was found to be 12.35% w/w.
The purpose of determining the drug loading is to quantify the drug in the microspheres and confirm the presence of 5FU. The DEE of 88.4%w/w indicates good entrapment of 5FU in the microspheres. The remaining 11.6% of the drug might have lost during the microsphere recovery and wash process. The loss could be caused by poorly entrapped drug or surface drug.
Morphology of microspheres
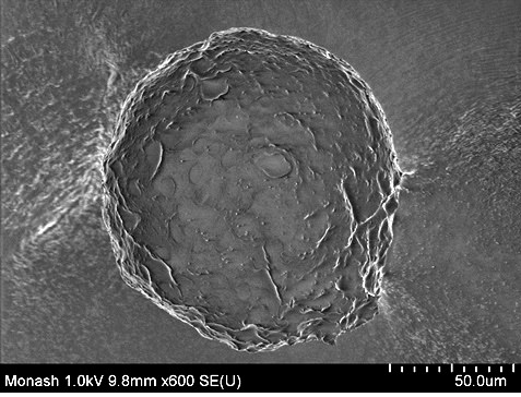
The magnetic chitosan microspheres were spherical and aggregated. As showed in Fig. 1 A and B, magnetic microspheres appeared black in colour and confirmed the encapsulation of magnetite. SEM pictures (Fig. 1. C and D) confirmed spherical nature and aggregation of microspheres. The surface of magnetic microspheres was rough (Fig. 1E) in contrast non-magnetic microspheres were smooth (Fig. 1F). The presence of magnetite in the microsphere resulted in an uneven and rough surface.
XRD analysis
The XRD patterns of 5FU, magnetite and magnetic microspheres without and with 5FU were presented in fig. 2A, B, C and D, respectively. XRD of pure 5FU has shown many prominent peaks of crystalline drug. Absence of crystalline peaks of 5FU in drug loaded magnetic microspheres reveals the amorphous nature of entrapped 5FU. As amorphous forms, of the drug have a less ordered arrangement of molecules thus might allow the better accommodation of the crystalline magnetite in the microsphere. Further, the magnetite content was qualitatively confirmed by XRD. The diffraction peaks of magnetite appeared in the microspheres prepared with and without the drug. XRD of magnetite showed characteristic peaks [7] at 30, 36 and 42 degrees (Fig. 2 B). These characteristic peaks were also present in the unloaded and drug loaded magnetite chitosan microspheres (Fig. 2 C and D). The drug loaded microspheres showed slightly more intensive magnetite peaks than the unloaded microspheres due to relatively more magnetite content.
Colorimetric determination of magnetite
The complete dissolution of magnetite from the microspheres is the first stage in the process of quantification. Magnetite is soluble in HCl, and the dissolution is dependent on the strength of the acid, temperature, and stirring rate. Belikov et al., have reported[8] that magnetite is sparingly soluble in 8.5% v/v HCl solution (approx. 1N solution) and in 50% sulphuric acid. The rate of dissolution of magnetite is faster in 1M HCl than the lower concentration. The dissolution rate per unit surface area of magnetite in 0.5M HCl was reported[9] as 3.46 g x104/m2/h. In order to achieve complete dissolution of magnetite into Fe2+(ferrous) and Fe3+(ferric), 1N HCl was used as the dissolution medium at 40ºC, with constant stirring (50 rpm). Once equilibrium swelling achieved in the microspheres on the day 2 of the dissolution process; ultrasonication was applied to break up the microsphere as well as to enhance the dissolution process. Disintegration of particles and exposure of the magnetite to the dissolution medium was observed after sonication. A colour change over the dissolution medium was noticed by the end of the seventh day indicating solubilization of magnetite. The process was continued another three days to ensure complete dissolution of magnetite in the 1N HCl.
![]() |
![]() |
| A | B |
![]() |
![]() |
| C | D |
![]() |
![]() |
| E | F |
Fig. 1: Photomicrographs (40 x magnifications, A, B) and SEM pictures of chitosan microspheres loaded with magnetite and 5 FU(C, D). Surface morphology of microspheres with (E) and without magnetite (F)

Fig. 2:X-ray diffraction pattern of 5-FU (A), magnetite (B), magnetic chitosan microspheres without (C) and with (D) 5FU
SAS forms complex with iron and the complexation depend on the pH[10]. In acidic condition, it produces a purple colour with absorption maxima of 500 nm. Under acidic conditions one atom of ferric complex with one molecule of SAS. Ferrous iron does not form a detectable amount of complex under these conditions. Hence, to quantify total iron, i.e. Ferric and ferrous, the pH is adjusted to alkaline using ammonia solution. After the addition of ammonia, the purple coloured complex has changed to yellow colour with absorption maxima of 425 nm. The complex formed at alkaline pH consists of one atom of iron and three molecules of SAS [10].
Karamanev et al., have optimised [11] various proportions of SAS and ammonia solution required in finding total iron content colorimetrically at 425 nm. The absorbance of the complex was linear at 425 nm and obeyed Beer’s law with a final iron concentration of 0.09-9.00 mg/l after the addition of reagents. Karamanev et al., also indicated [11] the volume/ratio of sulfosalicylic acid and ammonia solutions to be used during the determination of total iron content. Based on these data, a specified amount of reagent was used, and the unknown concentration of magnetite in the microspheres determined using a standard magnetite solution. The magnetite content of the drug loaded, and unloaded chitosan microspheres determined by the proposed colorimetric method (Table 1) were 21.5 and 20.6%w/w, respectively.
TGA analysis
To validate the magnetite determination, chitosan content in the microsphere was estimated by routine TGA analysis. The thermograms were presented in Fig. 3. Magnetite had shown a weight loss of only 0.1% until the heating temperature of 900°C and indicated thermal stability. Assuming that chitosan and 5FU burned out above 600°C, the remaining weight indicates the quantity of magnetite in the microspheres[2, 12- 14]. TGA of drug loaded and unloaded microspheres showed a magnetite content of 22.5 and 19.1%w/w, respectively. These values were close to colorimetric determination.

Fig.3. TGA Thermograms of magnetite, magnetic chitosan microspheres with and without 5FU
Conclusion
The proposed colorimetric analysis is a cost-effective and simple method of estimation of magnetite in chitosan microspheres and could be helpful in the characterization of magnetically targeted drug-delivery systems.
Conflict of interests
Declared none
Acknowledgement
The work is supported by a seed grant (BCHH-SS-6-02-2010) obtained from Monash University, Malaysia.
References