
Department of Pharmaceutics, NET Pharmacy College, Raichur-584103, Karnataka, India
*Corresponding author: Sarfaraz Md; *Email: sarfindia@gmail.com
Received: 10 Feb 2024, Revised and Accepted: 01 Mar 2024
ABSTRAC
Objective: The study aimed to develop a polymeric nanosponge-based hydrogel system for enhanced topical application of fluconazole, an antifungal drug.
Methods: Nanosponges were formulated using the emulsion solvent diffusion method using various polymers like hydroxypropyl methylcellulose, ethylcellulose and Eudragit RS 100. Polyvinyl alcohol and ethanol were used to prepare the aqueous and dispersed phases. Nanosponges were dispersed in an appropriate amount of gelling agent Carbopol 940 to get nanosponge gel. Drug–polymer interaction has been carried out by FTIR spectroscopy. The prepared nanosponges were evaluated for various tests like production yield, drug entrapment efficiency, compatibility and SEM studies. The nanosponge hydrogel was tested for pH, drug content, spreadability, in vitro diffusion and kinetic studies.
Results: The drug entrapment efficiency of fluconazole nanosponges was found in the range of 52.3±0.84% to 80.8±0.36% for all formulations, respectively. The spreadability of prepared nanosponges gel formulation was in the range between 5.20±0.19 to 7.187±0.85.
Particle size analysis showed that the average particle size of fluconazole nanosponges formulated using ethyl cellulose (F5) was found to be 334 nm. The zeta potential was found to be-10.4 mV, indicating the formulated fluconazole nanosponges (F5) had moderate stability. FTIR and DSC studies of pure drug and nanosponges suggested that the formulations were stable and there was no chemical interaction with polymer and other excipients. The optimised fluconazole topical nanosponge hydrogel (FG5) released 90.90% drug in 8 h.
Conclusion: Fluconazole topical nanosponge hydrogel could be successfully prepared by emulsion solvent diffusion method. Fluconazole topical nanosponge hydrogel showed promising results under in vitro condition and thus, there exists a scope for evaluation of the developed nanosponge hydrogel for further pharmacokinetic studies, using appropriate test models.
Keywords: Fluconazole, Nanosponges, HPMC, Eudragit RS100, Ethylcellulose, Emulsion solvent diffusion method
© 2024 The Authors. Published by Innovare Academic Sciences Pvt Ltd. This is an open access article under the CC BY license (https://creativecommons.org/licenses/by/4.0/)
DOI: https://dx.doi.org/10.22159/ijpps.2024v16i4.50589 Journal homepage: https://innovareacademics.in/journals/index.php/ijpps
Transdermal and topical delivery systems aim to deliver active ingredients across the skin. Both systems share manufacturing concerns and risks. Topical preparations can replace needles, offering benefits like avoiding hepatic metabolism and gastric degradation [1]. Conventional topical systems such as ointments and creams are less effective for skin permeation due to their poor efficiency and are associated with side effects such as burning, contact dermatitis and stinging sensations owing to the uncontrolled release of drug [2, 3]. Therefore, the focus is shifting towards the development of particulate carrier systems such as microspheres and liposomes for controlled delivery of drugs to specific skin regions [4]. These systems will presumably control drug input rate and minimize the absorption of the drug into the systemic circulation and consequent adverse reactions. Various studies have shown nanoparticulate carriers to be a viable substitute for liposomal carriers to achieve enhanced cutaneous delivery [5]. Therefore, nano-technology approaches were major areas of interest in the past few decades. One such novel nano-carrier system which offers topical delivery, especially when formulated as hydrogel is nanosponge (NS) based delivery system [6]. Nanosponges have emerged as one of the most promising fields of science because of their perceived application in controlled drug delivery. Nanosponges in topical hydrogel formulations show promise for controlled drug release, enhancing safety and patient compliance [7]. A nanosponge drug delivery system can precisely control the release rates or target drugs to a specific body site and have an enormous impact on the health care system. Nanosponges are tiny polymeric spheres with a porous surface which offer controlled drug delivery and benefits like dose reduction and improved bioavailability [8, 9]. They are suitable for various dosage forms, including oral, parenteral, and topical. Nanosponges, with their three-dimensional cross-linking polymer structure, offer versatile drug release mechanisms. The open structure facilitates the gradual release of encapsulated active substances upon application to the skin, sustaining the release even after the retention of nanosponge particles on the skin surface [10]. Skin diseases rank 4th globally in nonfatal disease burden. Fluconazole is used to prevent and treat a variety of fungal and yeast infections like candidiasis, blastomycosis, coccidioidomycosis, cryptococcosis, histoplasmosis, dermatophytosis, and pityriasis. It falls under the category of medications known as azole antifungals. Its mechanism involves inhibiting the growth of fungi responsible for the infections. Fluconazole, classified under BCS class II is available in tablet, powder, suspension, cream and gel form [11]. In the present study, an attempt was made to prepare fluconazole nanosponge hydrogel for efficient delivery of the drug into the skin.
Fluconazole was obtained as a gift sample from Tagoor Laboratories Pvt Ltd, Hyderabad, Telangana. Hydroxypropyl methyl cellulose, Eudragit RS 100, Propylene Glycol, Ethyl Cellulose were purchased from SD Fine Chemicals Pvt Ltd, Mumbai. Carbopol 940 and Poly Vinyl Alcohol were procured from HiMedia Laboratories Pvt Ltd, Thane, Maharashtra, and Qualigens Fine Chemicals, Umbare, Maharashtra, respectively.
Preparation of fluconazole nanosponges by emulsion solvent diffusion method
Fluconazole-loaded nanosponges were prepared by using the emulsion solvent diffusion method. Four different polymers, polyvinyl alcohol (PVA), hydroxypropyl methylcellulose (HPMC), ethyl cellulose (EC) and Eudragit RS100 (ERS100) with different ratios were used for nanosponge formulation. Two phases were used, one is organic and the other is the aqueous phase. The organic phase contains a drug and polymer mixture in 30 ml ethanol and the aqueous phase contains PVA and 100 ml distilled water. The aqueous phase was added in a drop wise manner in the organic phase on a magnetic stirrer at 5000 rpm. After two hours of stirring the prepared solution was vacuum dried using a vacuum pump for 20 min, nanosponges were collected by filtration method and dried in an oven at 40 °C for 24 h [12, 13]. A total of twelve formulations were prepared. The composition of fluconazole nanosponges is shown in table 1.
Evaluation of fluconazole nanosponges
Production yield
Production yield was determined by calculating the initial weight of raw material and the final weight of drug-loaded nanosponges using the formula [14]:
………. (1)
Drug entrapment efficiency (%)
Accurately weighed nanosponges (10 mg) were suspended in 100 ml of phosphate buffer pH 7.4 solution and later filtered through filter paper, the absorbance of filtrate after appropriate dilution was measured at 261 nm using a UV-visible spectrophotometer [15]. Entrapment efficiency of nanosponges was calculated by using the formula:
……. (2)
Particle size
The average mean diameter and size distribution of the optimized nanosponge was found by the Dynamic Light Scattering method using the Malvern Zeta sizer at 25 °C. The dried nanosponges were dispersed in water to obtain proper light scattering intensity for fluconazole nanosponges [16].
Zeta potential
Zeta potential is a measure of surface charge. The surface charge (electrophoretic mobility or movement velocity of the particles in an electric field and the particle charge) of the nanosponge were determined by using a Zeta sizer (Malvern Instrument Ltd.) having zeta cells, polycarbonate cell with gold plated electrodes. The nanosponges were diluted 10 times with distilled water as a medium for sample preparation and analysis. Zeta potential is essential for characterization of the stability of nanosponges [17].
Scanning electron microscopy (SEM)
SEM analysis was performed to determine the microscopic characters (shape and morphology) of prepared fluconazole nanosponges. Nanosponges were prepared and dried well to remove the moisture content and images were taken using scanning electron microscopy (Hitachi X650, Tokyo, Japan) in different magnifications. Samples were placed on a glass slide and kept under vacuum and then by using a sputter coater unit, samples were coated with a thin gold layer and operated at 15kv acceleration voltage [18].
Fourier transform infrared spectroscopy (FTIR)
FTIR study was performed to override the possibility of interaction between drug and polymer. FTIR studies were performed on pure drug fluconazole, nanosponge formulation F4 (HPMC), F8 (EC) and F12 (ERS100). The nanosponges were mixed with potassium bromide (KBr) in 1:90 ratios and compressed in the form of a pellet by 15 tones pressure. The FTIR spectrum was recorded in the wavelength range of 4000 to 400 cm-1 [19].
Differential scanning calorimetry (DSC)
A differential scanning calorimeter was used to obtain DSC peaks of pure drug and the prepared nanosponge F5 (EC). The DSC thermogram was obtained by sealing the drug or formulation in hermetically in an aluminium pan and kept under nitrogen purging (atmosphere). The samples were scanned from room temperature to 300 °C and with 10 °C rise/min [20].
Preparation of fluconazole topical nanosponge hydrogel
A sufficient amount of gelling agent Carbopol 940 was dissolved and soaked overnight in a suitable quantity of water to get a good dispersion. Later propylene glycol as a penetration enhancer was added. In another beaker, fluconazole nanosponges (equivalent to 80 mg drug) were dispersed in water. This was added to the previous beaker and stirred on a magnetic stirrer at 400 rpm for 20 min [21, 22]. The formulae of nanosponge gels are shown in table 2.
Characterization of fluconazole nanosponge hydrogels
pH
The pH of the formulation was measured using a digital pH meter (Digisun Electronics, Hyderabad). The pH of the topical gel formulation should be between 6 to 8.
Drug content
1 gm of the gel was dissolved in 100 ml of phosphate buffer pH 7.4 and a sample (5 ml) was taken from this solution and diluted to 25 ml. Fluconazole concentration was determined by measuring the absorbance at 261 nm using a UV-visible Spectrophotometer (Shimadzu, UV2600) [23].
……. (3)
Table 1: Formulation of fluconazole nanosponges
| S. No. | Ingredients | Formulation codes | |||||||||||
| F1 | F2 | F3 | F4 | F5 | F6 | F7 | F8 | F9 | F10 | F11 | F12 | ||
| 1 | Fluconazole (gm) | 1 | 1 | 1 | 1 | 1 | 1 | 1 | 1 | 1 | 1 | 1 | 1 |
| 2 | PVA (gm) | 5 | 5 | 5 | 5 | 5 | 5 | 5 | 5 | 5 | 5 | 5 | 5 |
| 3 | HPMC (gm) | 0.6 | 0.9 | 1.2 | 1.5 | - | - | - | - | - | - | - | - |
| 4 | Ethyl cellulose (gm) | - | - | - | - | 0.6 | 0.9 | 1.2 | 1.5 | - | - | - | - |
| 5 | Eudragit RS 100 (gm) | - | - | - | - | - | - | - | - | 0.6 | 0.9 | 1.2 | 1.5 |
| 6 | Ethanol (ml) | 30 | 30 | 30 | 30 | 30 | 30 | 30 | 30 | 30 | 30 | 30 | 30 |
| 7 | Distilled water (ml) | 100 | 100 | 100 | 100 | 100 | 100 | 100 | 100 | 100 | 100 | 100 | 100 |
Table 2: Formulation of fluconazole nanosponge hydrogel
| S. No. | Ingredients | Formulation codes | |||||||||||
| FG1 | FG2 | FG3 | FG4 | FG5 | FG6 | FG7 | FG8 | FG9 | FG10 | FG11 | FG12 | ||
| 1 | Fluconazole nanosponge (mg) | 80 | 80 | 80 | 80 | 80 | 80 | 80 | 80 | 80 | 80 | 80 | 80 |
| 2 | Carbopol 940 (mg) | 70 | 70 | 70 | 70 | 70 | 70 | 70 | 70 | 70 | 70 | 70 | 70 |
| 3 | Propylene glycol (ml) | 0.5 | 0.5 | 0.5 | 0.5 | 0.5 | 0.5 | 0.5 | 0.5 | 0.5 | 0.5 | 0.5 | 0.5 |
| 4 | Distilled water (ml) | 10 | 10 | 10 | 10 | 10 | 10 | 10 | 10 | 10 | 10 | 10 | 10 |
Spreadability test
A sliding plate apparatus was used to determine the spreadability of the gel by measuring the diameter of 1 gm gel between horizontal plates after 1 min. Around 125 gm of standardized weight was tied to the upper plate. An excess gel is placed between two glass slides and a 1000 gm weight is placed on them for 5 min, to compress the sample to a uniform thickness. The bottom slide is anchored to the apparatus and weights are placed in the pan. The time in seconds needed to separate the two slides is taken as a measure of spreadability [24, 25]. A shorter time interval indicates better spreadability. Spreadability was determined by using a formula.
……… (4)
Where,
S= Spreadability
M= weight tied to the upper slide.
L= length of a glass slide.
T= Time taken to separate two slides (s).
In vitro diffusion study
An in vitro diffusion study of nanosponge hydrogel formulations was performed through the cellulose membrane by using a Franz diffusion cell. The receptor compartment was filled with 7.4 pH phosphate buffer and maintained at 32±0.5 °C. The medium was continuously stirred by the help of a magnetic stirrer. 1 gm of the gel was placed over the cellulose membrane. Sampling was done every 30 min. 1 ml sample was withdrawn and diluted with 25 ml pH 7.4 phosphate buffer. The withdrawn sample was replaced with the same amount of buffer to maintain the sink condition. Samples were analyzed for fluconazole content using a UV spectrophotometer at 261 nm [26].
Kinetic study
The release mechanism was assessed by fitting the release data to different kinetic equations, including first-order, zero-order, Higuchi and Korsmeyer-Peppas models. Subsequently, the corresponding r2 values were determined for each model [27].
Preparation of fluconazole nanosponges by emulsion solvent diffusion method
Fluconazole-loaded nanosponges were prepared by using the emulsion solvent diffusion method. The selection of polymers for the formulation of fluconazole nanosponges was based on the trial batches carried out by using different polymers such as HPMC, ethyl cellulose and Eudragit RS 100. Drug: polymer ratio was selected based on the literature. By changing the polymer concentration, nanosponge optimization was done. A total of twelve formulations (F1-F12) of fluconazole nanosponges were prepared. The details are given in table 1 and nanosponges are shown in fig. 1. The nanosponges obtained with HPMC were quite transparent, whereas with ethyl cellulose, they were off-white and with Eudragit RS 100 yellowish coloured.
Evaluation of fluconazole nanosponges
Production yield
The percentage yield of F1 to F12 batches was observed in a wide range from 41.01±0.17% to 77.53±0.62%. The percentage yield was minimum for formulation F1 (41.01±0.17%) and maximum for formulation F8 (77.53±0.62%). From the results, it was observed that as the concentration of polymer increased, percentage yield also increased. The production yield may vary due to the change in polymer concentration. The yield obtained with ethyl cellulose as a polymer was much higher when compared with HPMC and Eudragit RS 100 (table 3) and this result is similar to the finding of Jadhav KR et al. (2020) [28].
A) HPMC |
B) Ethyl cellulose |
C) Eudragit RS 100 |
Fig. 1: Fluconazole nanosponges developed with different polymers
Drug entrapment efficiency (%)
The percentage entrapment efficiency was in the range of 52.3±0.84% to 80.8±0.36% for all formulations. Highest % entrapment efficiency was shown by F4-80.8±0.36% and least by F9-52.3±0.84. It is observed that as the polymer concentration increases the % entrapment efficiency also increases. The change in percentage entrapment efficiency may be due to the changes in the polymer concentration and difference in the degree of cross-linking. The results are similar to the findings by Jelvehgari M et al. (2017) [29] and are shown in table 3.
Particle size
Particle size analysis was performed by the zeta sizer for optimized fluconazole nanosponge F5. The particle size was found to be between 150 nm to 343.2 nm. The average particle size of nanosponge F5 was 334 nm. The zeta size distribution of ethyl cellulose-fluconazole nanosponges is depicted in fig. 2.
Zeta potential
Zeta Potential was determined using the Malvern zeta-sizer instrument. Zeta potential analysis is carried out to find the surface charge of the particles to know their stability during storage. The magnitude of zeta potential is predictive of the colloidal stability. Nanoparticles with zeta potential value greater than+25 mV or less than-25 mV typically have high degrees of stability. When particles in suspension exhibit a substantial negative or positive zeta potential, they repel each other, mitigating any inclination for aggregation. Conversely, particles with a low zeta potential lack the repulsive force necessary to deter their aggregation and subsequent flocculation. For fluconazole nanosponges F5 zeta potential was found to be-10.47 mV. These values indicate that the formulated nanosponge F5 has a high degree of stability. Zeta potential of fluconazole nanosponges is shown in fig. 3.

Fig. 2: Particle size of fluconazole nanosponge formulation F5
Table 3: Evaluation of fluconazole nanosponges
| S. No. | Nanosponge codes | Production yield (%)* | Drug entrapment efficiency (%)* |
| 1 | F1 | 41.01±0.17 | 68.6±0.32 |
| 2 | F2 | 44.84±0.10 | 69.1±0.55 |
| 3 | F3 | 51.52±0.52 | 73.3±0.42 |
| 4 | F4 | 64.70±0.32 | 80.8±0.36 |
| 5 | F5 | 63.05±0.87 | 68.1±0.36 |
| 6 | F6 | 70.45±0.47 | 69.8±0.25 |
| 7 | F7 | 75.10±0.79 | 72.2±0.84 |
| 8 | F8 | 77.53±0.62 | 75.2±0.11 |
| 9 | F9 | 43.03±0.34 | 52.3±0.84 |
| 10 | F10 | 43.65±0.15 | 62.1±0.74 |
| 11 | F11 | 55.79±0.39 | 66.9±0.69 |
| 12 | F12 | 66.83±0.91 | 78.0±0.15 |
*Results are given in mean±SD, n=3

Fig. 3: Zeta potential of fluconazole nanosponge formulation F5
![]() |
![]() |
| A) High magnification (X2000) image | B) Low magnification (X500) image |
Fig. 4: SEM images of fluconazole nanosponge formulation F5
Scanning electron microscopy
Fig. 4 shows the surface and cross-sectional SEM pictures of the optimized fluconazole nanosponge (F5).
Scanning electron micrographs of the prepared nanosponges at different magnifications showed that the nanosponges were porous with a rough surface morphology. The spongy and porous nature of nanosponges was observed in the SEM images and it could be due to the inward diffusion of fluconazole in the ethylcellulose polymeric surface of nanosponge during the fabrication which could be interrelated with the results Al-Suwayeh et al. (2014) [30].
Fourier transform infrared spectroscopy
FTIR is a versatile tool in pharmaceutics and biopharmaceutics. It has a wide field of applications ranging from the characterization of drug formulations to the elucidation of kinetic processes in drug delivery. In the present study, IR Spectra of pure drug, formulations F4, F8 and F12 are studied in detail. The IR spectra of pure drug and formulations F4, F8 and F12 were used in order to ascertain whether there is any interaction of the drug with excipients. The IR spectrum of the drug gives important signals for functional groups and various bonds in the expected IR region, indicating that the drug is a pure sample. HPMC, Ethyl cellulose and Eudragit RS 100 are the different polymers which are used in the development of required formulations F4, F8, and F12 respectively. In the spectra of all these formulations, the drug has shown characteristic absorption bands in the almost same positions with negligible variation in comparison with IR of the pure sample; this suggests that the drug is in normal form even in the presence of excipients and has not undergone any kind of interactions. Thus, there is no decomposition of the drug and polymer in the developed formulations. The spectra are shown in fig. 5–8.

Fig. 5: FTIR of pure drug fluconazole

Fig. 6: FTIR of fluconazole nanosponge F4 (HPMC)

Fig. 7: FTIR of fluconazole nanosponge F8 (EC)

Fig. 8: FTIR of fluconazole nanosponge F12 (Eudragit RS 100)
Differential scanning calorimetry
Differential scanning calorimetry is used to study the thermal stability of the sample. It is mainly useful in the characterization of drug substances and drug products. It is a speedy, simple and consistent technique which allows fast estimation of pharmaceutical drug substances, polymorphic form, excipients compatibility, endotherm and exotherm and impacts of additives on the crystallization of drug substances. Thus, it is an important thermo analytical method and serves as an industrial quality control technique. Drug excipient compatibility studies are an important part of the development of new formulations. DSC study ensures that whether the interaction occurs between a drug and excipients that could affect the properties, stability and efficacy of active ingredients. The thermogram of the pure drug fluconazole is an endothermic curve which showed that the drug starts melting at 139.90 °C. This endothermic peak absorbed at 144.85 °C refers to an endothermic reaction by melting (fig. 9). The actual melting point of the pure drug Fluconazole is 138 °C. Thus, experimentally determined melting point of the pure drug by DSC thermogram matches with the theoretical melting point of the drug. The thermogram of formulation F5 (fig. 10) containing drug and excipients exhibited a broad endothermic peak where the melting of the mixture starts at 178.20 °C, which is approximately taken as 179 °C. This suggests that the drug underwent a transition from a crystalline state to a state of molecular dispersion within the nanosponge. Also, this could confirm encapsulation and interaction of the drug with the nanosponge structure.

Fig. 9: DSC thermogram of pure drug fluconazole

Fig. 10: DSC thermogram of optimized fluconazole nanosponge F5 (Ethyl cellulose)
Characterization of fluconazole topical nanosponge hydrogel
pH
The pH of fluconazole topical nanosponge hydrogel was determined by using the pH meter. The pH of all formulations was in the range compatible with the normal pH range of the skin (table 4). Hence the preparation is supposed to be non-irritant.
Drug content
It was observed that the drug content in the prepared nanosponges gel was satisfactory and the drug was uniformly distributed in all the formulations. The percentage of drug content was found to be between 91.63±0.93 to 64.10±0.13 (table 4).
Spreadability test
Spreadability is an important characteristic of topical formulation, and it’s responsible for correct dosage transfer to the target site. Spreadability is a factor to be considered in the formulation of gel. The spreadability of the prepared nanosponges gel formulation was in the range between 5.20±0.19 to 7.187±0.85 gm. cm/s, indicating the gel could be easily smeared over the applied affected skin area (table 4).
Table 4: Evaluation of fluconazole topical nanosponge hydrogels
| S. No. | Nanosponge hydrogel codes | pH** | Drug content (%)* | Spreadability (gm. cm/s)* |
| 1 | FG1 | 6.8 | 64.10±0.13 | 5.20±0.19 |
| 2 | FG2 | 6.7 | 71.39±0.25 | 5.62±0.26 |
| 3 | FG3 | 7.1 | 69.70±0.69 | 5.27±0.37 |
| 4 | FG4 | 7.0 | 65.37±0.72 | 5.80±0.44 |
| 5 | FG5 | 6.9 | 91.63±0.93 | 6.80±0.59 |
| 6 | FG6 | 6.7 | 78.72±0.85 | 7.00±0.66 |
| 7 | FG7 | 6.8 | 77.88±0.69 | 6.60±0.71 |
| 8 | FG8 | 6.7 | 79.92±0.12 | 6.00±0.86 |
| 9 | FG9 | 6.7 | 67.32±0.35 | 6.00±0.11 |
| 10 | FG10 | 6.8 | 85.43±0.42 | 6.61±0.29 |
| 11 | FG11 | 6.6 | 83.19±0.59 | 6.40±0.36 |
| 12 | FG12 | 6.8 | 71.63±0.77 | 7.18±0.85 |
*Results are given in mean±SD, n=3. **mean of three determinations.
In vitro diffusion study
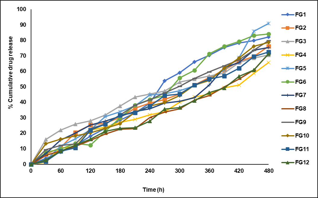
The in vitro diffusion study showed that formulations FG1, FG5 and FG9 gave the best release of 82.26%, 90.90% and 79.86% drug at the end of 8 h. The formulations with HPMC as polymers released 82.26% (FG1) to 65.60% (FG4) of drug at the end of 8 h. It was observed that increasing the concentration of HPMC decreased the release rate of fluconazole, because HPMC forms a strong viscous gel on contact with aqueous media with the gel controlling delivery of drug. Usually, water-soluble drugs are released primarily by diffusion of dissolved drug molecules across the gel layer. The extent of polymer swelling and the hydration of the microstructure formed within the gel layer vary with the degree of polymer interaction with hydrating media [31]. The formulations with EC as polymers released 90.90% (FG5) to 71.23% (FG8) of the drug at the end of 8 h. The porous matrix formed by EC was conferred for sustained and progressive release of the drug. Slow diffusion of water inside the hydrophobic EC leads to the release of the drug for prolonged periods at a controlled rate. The formulations with Eudragit RS 100 as polymers released 79.86% (FG9) to 71.26% (FG12) of the drug at the end of 8 h. The nanosponges formulated from Eudragit RS 100 showed no burst effect and the drug was released in a controlled manner. It hence shows that the drug is not weakly adsorbed at the surface of nanosponges [32]. The order of release was EC>HPMC>Eudragit RS100. The fluconazole topical nanosponge hydrogel FG5 prepared with ethyl cellulose was selected as the optimum formulation due to its high drug release and comparatively higher yield.
It was observed that the drug release decreased with an increase in the amount of polymer for each type used. It was found that the drug: polymer ratio had a significant effect on the release pattern of the drug. As the drug: polymer ratio increased the release of drug from the nanosponges decreased. This may be attributed to an increase in the thickness of nanosponges, which may decrease drug release. The in vitro diffusion results are shown in fig. 11.

Fig. 11: In vitro diffusion study of fluconazole nanosponge hydrogels FG1–FG12*. N=3, error bars were omitted
Kinetic study
The values of the correlation-coefficient (r2) for all the selected formulations were high enough to evaluate the drug release behavior. The kinetic results revealed that the selected formulations followed zero order, as correlation-coefficient (r2) values (0.9658-0.9958) of zero order are higher than that of first-order values (0.7855–0.9876). The data plotted as per Higuchi kinetics gave fairly linear plots with correlation coefficient values between (0.8820-0.9848) for all the formulations. The drug release was proportional to the square root of time, indicating that the drug release from nanosponge hydrogel was diffusion-controlled. In the Korsemayer-Peppas model the n values ranged between 0.6797 and 0.7950 suggesting a non-Fickian (Anomalous) release mechanism. This implies a combination of diffusion and chain relaxation mechanism in drug release.
Fluconazole topical nanosponge could be prepared by emulsion solvent diffusion method using polymers HPMC, Ethyl cellulose and Eudragit RS 100. It was observed that the concentration of polymer affected the percentage yield and %entrapment efficiency. Zeta potential values indicate that the formulated fluconazole nanosponge (F5) had a high degree of stability. SEM images showed the spongy and porous nature of nanosponges. The prepared nanosponge hydrogels gave promising results concerning the release of fluconazole. It was found that the polymer type and the drug: polymer ratio had a significant effect on the release pattern of the drug. Fluconazole topical nanosponge hydrogels showed promising results under in vitro conditions and thus, there exists a scope for evaluation of the developed nanosponge hydrogel for further pharmacokinetic studies using appropriate test models.
The authors are thankful to Dr Sunil Kumar B, Professor, NET Pharmacy College, Raichur and Tagoor Laboratories Pvt Ltd., Hyderabad, Telangana, for providing a gift sample of the drug Fluconazole to carry out the research work. The authors are also thankful to Dr. R. H. Udupi, NET Pharmacy College, Raichur for providing help to carry out this research.
Nil
The corresponding author, Sarfaraz Md wrote the manuscript and assisted in the experiments. Shaikh Zamirullah Mehboob performed the experimental works and H. Doddayya supervised the work. All authors discussed the results and contributed to the final manuscript.
Declared none
Alkilani AZ, McCrudden MT, Donnelly RF. Transdermal drug delivery: innovative pharmaceutical developments based on disruption of the barrier properties of the stratum corneum. Pharmaceutics. 2015 Oct 22;7(4):438-70. doi: 10.3390/pharmaceutics7040438, PMID 26506371.
Mahamat Nor SB, Woi PM, Ng SH. Characterisation of ionic liquids nanoemulsion loaded with piroxicam for drug delivery system. J Mol Liq. 2017 May;234:30-9. doi: 10.1016/j.molliq.2017.03.042.
Butani D, Yewale C, Misra A. Amphotericin B topical microemulsion: formulation, characterization and evaluation. Colloids Surf B Biointerfaces. 2014 Apr 1;116:351-58. doi: 10.1016/j.colsurfb.2014.01.014, PMID 24521698.
Ghanbarzadeh S, Arami S. Enhanced transdermal delivery of diclofenac sodium via conventional liposomes, ethosomes, and transfersomes. BioMed Res Int. 2013 Jul 14;2013:616810. doi: 10.1155/2013/616810, PMID 23936825.
Jain AK, Jain A, Garg NK, Agarwal A, Jain A, Jain SA. Adapalene loaded solid lipid nanoparticles gel: an effective approach for acne treatment. Colloids Surf B Biointerfaces. 2014 Sep 1;121:222-9. doi: 10.1016/j.colsurfb.2014.05.041, PMID 25016424.
Batheja P, Sheihet L, Kohn J, Singer AJ, Michniak Kohn B. Topical drug delivery by a polymeric nanosphere gel: formulation optimization and in vitro and in vivo skin distribution studies. J Control Release. 2011 Jan 20;149(2):159-67. doi: 10.1016/j.jconrel.2010.10.005, PMID 20950659.
Seth D, Cheldize K, Brown D, Freeman EF. Global burden of skin disease: inequities and innovations. Curr Dermatol Rep. 2017 Sep;6(3):204-10. doi: 10.1007/s13671-017-0192-7, PMID 29226027.
Debjit B, Harish G, Pragati K, Duraivel S. Recent advances in novel drug delivery system. J Pharm Innov. 2012;1(9):12-31.
Sharma P, Sharma A, Gupta A. Nanosponges: as a dynamic drug delivery approach for targeted delivery. Int J Appl Pharm. 2023;15(3):1-11.
Tiwari K, Bhattacharya S. The ascension of nanosponges as a drug delivery carrier: preparation, characterization, and applications. J Mater Sci Mater Med. 2022 Mar 4;33(3):28. doi: 10.1007/s10856-022-06652-9, PMID 35244808.
Govindarajan A, Bistas KG, Ingold CJ. Fluconazole. StatPearls; 2024. Available from: https://www.ncbi.nlm.nih.gov/books/NBK537158. [Last accessed on 2023 May 23]
Pharmacopoeia I. Vol. III. Ghaziabad: Ministry of health and family welfare, Indian Pharmacopoeia Commission; 2014. p. 23-36.
Kumar S, Hematheerthan N, Ratan J. Design and characterization of miconazole nitrate loaded nanosponges containing vaginal gel. Int J Pharm Ana Res. 2016;5(3):410-7.
Aldawsari HM, Badr Eldin SM, Labib GS, El-Kamel AH. Design and formulation of a topical hydrogel integrating lemongrass-loaded nanosponges with an enhanced antifungal effect: in vitro/in vivo evaluation. Int J Nanomedicine. 2015 Jan 29;10:893-902. doi: 10.2147/IJN.S74771, PMID 25673986.
Aggarwal G, Nagpal M, Kaur G. Development and comparison of nanosponge and niosome-based gel for the topical delivery of tazarotene. Pharm Nanotechnol. 2016;4(3):213-28. doi: 10.2174/2211738504666160804154213.
Srinivas P, Reddy A. Formulation and evaluation of isoniazid loaded nanosponges for topical delivery. Pharm Nanotechnol. 2015;3(1):68-76. doi: 10.2174/2211738503666150501003906.
Penjuri SCB, Ravouru N, Damineni S, Bns S, Poreddy SR. Formulation and evaluation of lansoprazole-loaded nanosponges. Turk J Pharm Sci. 2016;13(3):304-10. doi: 10.4274/tjps.2016.04.
Sachan A, Gupta A, Arora M. Formulation and characterization of nanostructured lipid carrier (NLS) based gel for topical delivery of etoricoxib. J Drug Deliv Ther. 2016;6(2):4-13.
Shringirishi M, Mahor A, Gupta R, Prajapati SK, Bansal K, Kesharwani P. Fabrication and characterization of nifedipine loaded β-cyclodextrin nanosponges: an in vitro and in vivo evaluation. J Drug Deliv Sci Technol. 2017 Oct;41:344-50. doi: 10.1016/j.jddst.2017.08.005.
Shoaib Q, Abbas N, Irfan M, Hussain A, Arshad MS, Hussain SZ. Development and evaluation of scaffold-based nanosponge formulation for controlled drug delivery of naproxen and ibuprofen. Trop J Pharm Res. 2018 Aug;17(8):1465-74. doi: 10.4314/tjpr.v17i8.2.
Abbas N, Parveen K, Hussain A, Latif S, Uz Zaman S, Shah PA. Nanosponge-based hydrogel preparation of fluconazole for improved topical delivery. Trop J Pharm Res. 2019 Feb;18(2):215-22. doi: 10.4314/tjpr.v18i2.1.
Manyam N, Kumar K. Formulation and evaluation of nanosponges loaded extended release of trimethoprim. J Pharm Hea Sci. 2018;1(1):78-86.
Kehserwani R, Sachan A, Arora M. Formulation and evaluation of solid-lipid nanoparticle (sln) based topical gel of etoricoxib. J Appl Pharm Sci. 2016 Jan;4(1):124-31.
Patil B, Mohite SK. Formulation design and development of artesunate nanosponges. Eur J Pharm Res. 2016;3(5):206-11.
Naveentaj S, Muzib YI, Radha R. Design and optimization of fluconazole-loaded pharmacosome gel for enhancing transdermal permeation and treating fungal infections through box-behnken design. Int J App Pharm. 2023;15(1):131-40. doi: 10.22159/ijap.2023v15i1.46413.
Jilsha G, Viswanad V. Nanosponges loaded hydrogel of cephalexin for topical drug delivery. Int J Pharm Sci. 2015 Jul 1;6(7):2781-9.
Reza MS, Quadir MA, Haider SS. Comparative evaluation of plastic, hydrophobic and hydrophilic polymers as matrices for controlled-release drug delivery. J Pharm Pharm Sci. 2003;6(2):282-91. PMID 12935440.
Jadhav KR, Popat S, Jadhav Sonawane DD. Formulation and evaluation of nanosponge based topical gel preparation of fluconazole. Int J Pharmacol Res. 2020 Oct 30;19(3):596-616.
Salatin S, Barar J, Barzegar Jalali M, Adibkia K, Kiafar F, Jelvehgari M. Development of a nanoprecipitation method for the entrapment of a very water soluble drug into Eudragit RL nanoparticles. Res Pharm Sci. 2017 Feb;12(1):1-14. doi: 10.4103/1735-5362.199041, PMID 28255308.
Al-Suwayeh SA, Taha EI, Al-Qahtani FM, Ahmed MO, Badran MM. Evaluation of skin permeation and analgesic activity effects of carbopol lornoxicam topical gels containing penetration enhancer. Scientific World Journal. 2014;2014:127495. doi: 10.1155/2014/127495, PMID 25045724.
Alderman DA. A review of cellulose ethers in hydrophilic matrices oral controlled-release dosage forms. Int J Pharm Tech Prod Manag. 1984;5:1-9.
Khan R, Saif D, Naureen H, Sarwar A, Shahbaz M, Arif M. Formulation and evaluation of metronidazole loaded nanosponges for topical delivery. Pharmaceutical Communications. 2022 Dec;1(1):71-87.