1Department of Pharmaceutics and Industrial Pharmacy, Faculty of Pharmacy, Cairo University, Cairo, Egypt, 2Department of Pharmaceutics and Industrial Pharmacy, Faculty of Pharmacy, Misr University for Science and Technology, 6th of October City, Egypt
Email: hoda.teba@gmail.com
Received: 10 Apr 2015 Revised and Accepted: 21 May 2015
ABSTRACT
Objective: Preparation and characterization of ketorolac tromethamine (KT)-loaded alginate/chitosan nanodispersions for ocular sustained drug delivery and improved transconeal permeation.
Methods: Alginate/chitosan KT-loaded nanoparticles were formulated using different techniques; modified coaservation and ionotropic pregelation. The nanodispersions were evaluated for particle size, zeta potential, entrapment efficiency and in-vitro release. The formula with optimum physicochemical characteristics was tested for stability as well as ex-vivo transcorneal permeation in comparison to marketed eye drops (Acular®).
Results: In both techniques, increasing the concentration of chitosan showed a significant increase in particle size. However, increased size with increasing the amount of alginate was significant in modified coaservation method but non-significant in ionotropic pregelation method. The ionotropic pregelation method generally resulted in nanoparticles with smaller sizes. The values of zeta potential were highly influenced by the alginate/chitosan ratio in both methods as the high amount of alginate shifted the zeta potential to be negative, and the absolute value increased by increasing its concentration. The entrapment of KT into nanoparticles prepared by ionotropic pregelation method was found to be significantly lower than those prepared by modified coaservation method. All the nanodispersions showed an initial burst release followed by a more gradual and sustained-release phase. Alginate NPs significantly retarded the release of KT and showed higher transcorneal permeation when compared with Acular®.
Conclusion: Ionotropic pregelation method produced nanodispersions for all tested alginate/chitosan ratios with sustained KT release and improved transcorneal permeation.
Keywords: Ketorolac tromethamine, Nanodispersions, Alginate, Chitosan, Sustained release, Permeation.
INTRODUCTION
Topical delivery of eye drops into the lower cul-de-sac is the most common method of drug treatment in ocular diseases. Although the main route for intraocular absorption is across the cornea, this route suffers from low drug permeability due to small surface area [1, 2].
During cataract surgery, the ocular tissue is traumatized, and inflammatory mediators are liberated via enzymes, e. g. Cyclooxygenases and lipoxygenase [3]. In ocular tissue, arachidonic acid is metabolized by cyclooxygenases to prostaglandins, which are the most important lipid-derived mediators of inflammation [4]. To control this postoperative inflammatory reaction, two main substance groups are topically available, corticosteroids or non-steroidal anti-inflammatory drugs (NSAIDs), which interfere with the cyclooxygenase and/or lipoxygenase pathways [5]. Topical therapy with corticosteroids is quite common in the treatment of ocular inflammatory disorders, but their use is often associated with an increase in intraocular pressure, development of cataract and the risk of microbial infection [6]. Therefore, NSAIDs are widely used.
Aqueous ocular drops of ketorolac tromethamine (KT) are effective and safe for topical use following cataract surgery and intra ocular lens implantation [7, 8]. They are also effective in reducing conjunctivitis with no alteration of corneal opacity [9], and do not increase intra ocular pressure [10]. They can be considered as a viable alternative to corticosteroids in treating ocular inflammation. The administration of eye drops for the treatment of ocular disorders suffers from numerous disadvantages because part of the drop instilled in the patient’s cul-de-sac is lost by over flow, it may also drain into the naso lacrimal duct and thus can cause unwanted systemic side effects. Therefore, frequent instillation may be necessary. To overcome the disadvantages of eye drops, several new approaches have been tried including the use of bio-adhesive polymers, liposomes and nanoparticles which may improve the ocular bioavailability of the drug.
Nanoparticles (NPs) are colloidal particles, with sizes ranging from 10–1000 nm [11, 12]. Polymeric NPs offer some specific advantages over liposomes as they increase the stability of drugs and processes useful controlled release properties [13]. Cationic polymers may have good muco adhesive properties due to their ability to develop electrostatic interaction with the negative charges of the mucus [14].
Among the various types of chitosan–polyanion complexes, the combination of chitosan (CS) and sodium alginate (ALG) are considered to be the most interesting for colloidal carrier systems [15]. CS is a nontoxic, hydrophilic and biocompatible cationic polysaccharide. It has very good muco adhesive and antibacterial properties; in addition it enhances the membrane permeability [16]. ALG is a natural and hydrophilic polymer suitable for the entrapment of water soluble drugs [17]. The polyelectrolyte complex formed through the ionic gelation via interaction between the carboxyl groups of alginate and the amine groups of chitosan [18].
In the present study, a challenge has been made to develop KT-loaded ALG/CS nanodispersions using different techniques with the aim to sustain the release of KT and to improve its transcorneal permeation.
MATERIALS AND METHODS
Materials
Ketorolac tromethamine was kindly supplied from European Egyptian Pharmaceutical Industrial Company, Egypt. Chitosan (low Mw, viscosity, 20 cps, degree of deacetylation 85%) and sodium alginate were purchased from Sigma-Aldrich Chemical Company, USA. Disodium hydrogen phosphate, potassium dihydrogen phosphate, sodium chloride, and calcium chloride were purchased from Adwik, El Nasr Pharmaceutical Chemical Company, Egypt.
Methodology
Preparation of ALG/CS nanoparticles
ALG/CS nanoparticles were prepared by two methods.
Modified coaservation method
ALG/CS nanoparticles were prepared according to the modified coaservation method suggested by Calvo et al. [13]. Aqueous solutions of ALG were prepared in different concentrations (0.2, 0.4 and 0.6%). CS was dissolved in 1% acetic acid to form different concentrations (0.1, 0.2 and 0.3%) to which one ml of KT solution (75 mg/ml) was added with stirring. Four milliliters of ALG solution were sprayed into 10 ml of CS solution under continuous magnetic stirring at 1000 rpm for 30 min. The formulations which appeared as opalescent dispersions were left overnight at room temperature for complete formation of NPs and stored in the refrigerator until use.
Ionotropic pregelation method
It is a two-step method adapted from Rajaonarivony’s method of preparing alginate–poly-Lysine NPs [19]. Solutions of CS, ALG and CaCl2 in different concentrations were first prepared; CS was dissolved in 1% acetic acid followed by pH adjustment to 5.5 using NaOH; ALG was dissolved in distilled water, and pH was adjusted to 5.0–5.3 using HCl; CaCl2 was dissolved in distilled water at neutral pH. The first step in the method is the formation of calcium alginate pre-gel by adding 6 ml of different concentrations (0.5, 0.75 and 1%) of aqueous CaCl2 solution to 10 ml ALG solution (0.2, 0.4 and 0.6%) containing 5 mg/ml of KT, while stirring at 400 rpm for 30 min. The second step was the addition of 4 ml of CS solution (0.1, 0.2 and 0.3%) to the resultant calcium alginate pre-gel with continuous stirring for another 30 min. The resultant opalescent dispersions were equilibrated overnight at room temperature to allow the formation of uniform nanoparticles.
Evaluation of KT-loaded nanoparticles
Particle size and polydispersity index
The mean particle size and size distribution of freshly prepared nanoparticle dispersions were determined using a Malvern Zetasizer 2000 (Malvern Instruments Ltd., UK). Light scattering was monitored at a 90 o angles and a temperature of 25 oC with polystyrene bead was used as a standard to check instrument performance. The measurements were performed after diluting samples by 100-fold with water at the ambient temperature. The predetermined refractive index of the different formulae was incorporated into the computer software of the Zetasizer, which calculated the mean particle size and polydispersity from intensity.
Zeta potential
The zeta potential was determined using Zetasizer 2000 (Malvern Instruments Ltd., UK). The nanocarrier dispersion (0.25 ml) was diluted with 0.001 M KCl and placed in the electrophoretic cell. The zeta-potential values were calculated from the mean electrophoretic mobility values.
Entrapment efficiency (EF %)
The amount of drugs entrapped in the NPs was determined by calculating the difference between the total amount of KT used to prepare the NPs and the amount of non-entrapped drugs remaining dissolved in the aqueous suspending medium. Five milliliters of KT-loaded NPs suspensions were centrifuged at 13 500 rpm and 4 oC for 60 min (cooling ultracentrifuge; Sigma, Germany) to separate the drug loaded nanoparticles from the aqueous medium (supernatant) containing unloaded KT. The supernatant was analyzed for the free drug spectro photometerically at 321 nm (UV spectrophotometer; Shimaduz, USA). The drug entrapment efficiency (EF %) of NPs was calculated as indicated below [20].

Where A is the total amount of drug in the nano dispersion and B is the free amount of drug in the supernatant.
In vitro drug release studies
The in vitro release test was performed using the USP dissolution apparatus (USP rotating paddle dissolution apparatus, Schleuniger pharmaton, Switzerland). Samples of one ml of KT-loaded NPs dispersions were placed in glass cylindrical tubes (2.5 cm in diameter and 10 cm in length) with one end tightly covered with a cellophane membrane soaked overnight in phosphate buffer saline (PBS), pH 7.4 and the other end attached to the shaft of the USP dissolution tester apparatus, instead of the baskets. The formulations were immersed in 50 ml of PBS (pH 7.4). The release study was carried out at 37±0.5 oC, and the stirring shafts rotated at a speed of 25 rpm. Aliquots of two ml of the release mediums were collected at predetermined time intervals of 0.25, 0.5, 1, 1.5, 2, 2.5, 3, 4, 5, 6 and 7 h and replaced with equal volumes of PBS. The collected samples were analyzed for drug content spectrophotometrically at 321 nm against the samples withdrawn at a respective time intervals from plain nanocarrier dispersions treated by the same manner. The experiment was performed in triplicate, and the percentage released of KT was calculated.
The mean dissolution rate (MDR) was calculated for each nanodispersion formulation according to the following equation:

Where n is the number of dissolution sample times, Δ t is the time at midpoint between t and t−1 [calculated with (t+t−1)/2] and Δ Mj is the additional amount of drug dissolved between tj and t−1.
Kinetic analysis of the release data
The in vitro release profiles were tested for their kinetic behavior in order to establish the kind of mechanism possibly involved in KT release from the NPs. The data were analyzed according to zero-order, first-order, Higuchi model as well as Korsmeyer-Peppas model. The preference of a certain mechanism was based on the determination coefficient (R2).
Freeze drying
Aliquots of three different batches of the optimized formulation were freeze-dried to study the FT-IR spectroscopy of the nanoparticles. The KT-loaded ALG/CS NPs were collected by centrifugation (cooling centrifuge, Sigma, Germany) at 13 500 rpm and 4 °C for 30 min and the residues were washed twice by distilled water. The residues were frozen in liquid nitrogen and lyophilized (Heto Drywinner, Thermo Scientific, USA) for 48 h at 120 °C, at a pressure of 0.05 mmHg.
Fourier transform infra-red (FT-IR) spectroscopy
FT-IR spectrum was recorded for KT, ALG, CS and the freeze-dried KT-loaded ALG/CS nanoparticles using FT-IR spectroscopy (Genesis II Mattson, USA). A total of 2% w/w of sample, with respect to the potassium bromide (KBr) disc, was mixed with dry KBr. The mixture was ground to the fine powder using an agate mortar before compressing into KBr disc under a hydraulic press of 10 000 psi. Each KBr disc was scanned at 4 mm/s at a resolution of 2 cm over a wave number region of 400–4000 cm using IR solution software, and the characteristic peaks were recorded for different samples.
Nanoparticles morphology
The morphologic examination of NPs was performed by transmission electron microscopy (TEM; CM12; Philips, USA). The selected NP dispersion was dropped onto Formvar-coated copper grids and after complete drying the samples were stained using 2% w/v phosphotungstic acid.
Ex vivo transcorneal permeation
Transcorneal permeation study of the optimum nano dispersion was carried out as previously described in the release study using a freshly excised bovine cornea as membrane instead of cellophane. The corneal area available for diffusion was 0.78 cm2. The receptor compartment was filled with 50 ml PBS (pH 7.4) and was kept at 37 °C± 0.5 with constant stirring at 50 rpm. Permeation study was continued for three hours, and samples were withdrawn at predetermined time intervals, 15, 30, 60, 90, 120, 150 and 180 min and were analyzed for KT spectr photometerically at 321 nm.
At the end of the experiment, each cornea was weighed and soaked in one ml methanol, dried overnight and reweighed. From the difference in weights between hydrated and dried cornea, corneal hydration was calculated.
Stability studies
Samples of the selected optimum nanoparticle dispersion were sealed in 30 ml amber glass vials and stored for six months at different temperatures (4 oC and 25 oC). The stored samples were visually inspected for settling and changing in color. The entrapment efficiency as well as the mean particle size and pH was determined and compared to the freshly prepared samples.
Statistical analysis
Student t-test was used to analyze data of two groups obtained in different experiments at the 0.05 level of significance by Graph Pad Instate-3 software. One-way analysis of variance (ANOVA) analyzed all other data obtained for more than two groups by the same software.
RESULTS AND DISCUSSION
NPs consisting of ALG and CS were prepared by two different techniques namely modified coaservation and ionotropic pregelation. The freshly prepared nanodispersions were evaluated for particle size, zeta potential, entrapment efficiency and in vitro drug release. FT-IR spectroscopy, morphology, ex vivo transcorneal permeation and stability study were done for the selected formulation with optimum characteristics.
Evaluation of the preparations
The composition and physicochemical properties of ALG/CS dispersions prepared by modified coaservation method and ionotropic pregelation method are shown in and 2, respectively.
Following modified coacervation method, not all ALG/CS ratios resulted into the formation of colloidal dispersions. From , it is obvious that formulations in which CS amount exceeded largely that of alginate (A4, A7 and A8) yielded clear solutions and therefore, were excluded from the study. In the case of ionotropic pregelation method, an opalescent colloidal dispersion was observed for all ALG/CS combinations ().
Table 1: Composition and physical appearance of CS/ALG formulations prepared according to modified coaservation method
| code | Composition | Physical appearance |
| CS* %w/v | ALG* %w/v | |
| A1 | 0.1 | 0.2 |
| A2 | 0.1 | 0.4 |
| A3 | 0.1 | 0.6 |
| A4 | 0.2 | 0.2 |
| A5 | 0.2 | 0.4 |
| A6 | 0.2 | 0.6 |
| A7 | 0.3 | 0.2 |
| A8 | 0.3 | 0.4 |
| A9 | 0.3 | 0.6 |
N. B: ×, clear solution; √, opalescent dispersion, * Concentration in polymer solution, # Concentration in the final formulation (total volume = 14 ml).
Table 2: Composition and physical appearance of CS/ALG formulations prepared by ionotropic pregelation method
| code | Composition | Physical Appearance |
| CS* %w/v | ALG* %w/v | |
| P1 | 0.1 | 0.2 |
| P2 | 0.1 | 0.4 |
| P3 | 0.1 | 0.6 |
| P4 | 0.1 | 0.2 |
| P5 | 0.1 | 0.2 |
| P6 | 0.2 | 0.2 |
| P7 | 0.3 | 0.2 |
√: opalescent dispersion, * Concentration in polymer solution, # Concentration in the final formulation (total volume = 20 ml)
Particle size
For nanoparticles prepared by modified coaservation method, increasing either CS or ALG percentage resulted in a significant increase in particle size (p<0.05) (table 3). This was expected since higher polymer concentration is accompanied by a higher amount of polymer forming the core of the particle, thus, larger particles are formed [21].
However, this effect was not observed in ionotropic pregelation method. Keeping the concentration of CS and CaCl2 constant and increasing the percentage of ALG (P1, P2 and P3) did not significantly affect particle size (p>0.05). Nevertheless, keeping ALG constant and increasing either CaCl2 (P1, P4, P5) or CS (P1, P6, P7) significantly (p<0.05) increased particle size, which would probably indicate that the bulk of nanoparticle matrix is mainly composed of both CS and CaCl2 [22].
From and 4, it is clear that the method of preparation significantly (p<0.05) affected the particle size. When (A1/A3/A6) and (P1/P2/P3) were compared (fig. ), as they contain close total polymer percentages, respectively, it is obvious that the ionotropic pregelation method resulted in smaller particle sizes despite the additional presence of calcium ions, which contribute to the formation of the particle core. This result may be attributed to that, although ALG can be complex with CS alone and can form nanoparticles through formation of a simple polyelectrolyte complex, the formation of a pre-gel phase between Ca2+ions and alginate, allow the formation of nanoparticles with increased compact structure [21].

Fig. 1: Effect of method of preparation on the particle size of alginate NPs containing close total polymers percentages (mean±SD, n=3) (A1: 0.13, P1: 0.12, A3: 0.24, P2: 0.22, A6: 0.31 and P3: 0.32%)
Zeta potential
The values of zeta potential are highly influenced by the ALG/CS ratio because the zeta potential of the ALG/CS nano reservoir system is dependent on the availability of total protonated NH3+groups on CS and their neutralization with COO-groups of ALG. In case of the coaservation method, as shown in , the formulations A1, A5 and A9 in which the percentage of CS exceeded that of ALG showed a positive zeta potential. When ALG exceeded CS (A2, A3 and A6) the formulations showed negatively charged zeta potential, which indicates that carboxylate groups of ALG are not sufficiently neutralized by the protonated amino groups of CS.
However, for nanoparticles formulated by ionotropic pregelation method, Ca2+ions also play a role in the overall charge on the particles. It is believed that, the nanoparticles produced by this technique are generally characterized by core/shell structure. The core is composed of complexed segments (a complex between the protonized–NH3+of CS, Ca+2ions of CaCl2 and COO-groups of ALG), while excess Ca+2ions, that are not incorporated into the polyelectrolyte complex, are segregated in the outer shell and give the nano particles surface an overall positive charge [23].
Therefore, in order to interpret these results, the total amount of CS together with CaCl2 should be regarded in comparison to the amount of ALG in each formula. It is to be noted that, formulae which contained higher percentages of alginate (P2 and P3, except for P1) revealed a negative zeta potential. P1 showed a negative zeta potential with small value (-3.7 mV) despite having higher alginate content and this probably because the amounts of CS and CaCl2 were still insufficient to interact with all carboxyl groups of alginate. However, increasing the concentration of CaCl2 (P4 and P5) or increasing the concentration of CS (P6 and P7) shifted the zeta potential to positive values.
Entrapment efficiency (EF %)
No significant differences were observed between the EF% of the different formulae prepared by the same method (Tables 3 and 4). This finding indicates that using different concentrations of polymers in preparation of NPs did not significantly (p>0.05) influence the entrapment efficiency of KT. However, the method of preparation obviously affected the EF%. In general, the entrapment of KT into ALG/CS nanoparticles prepared by ionotropic pregelation method was found to be significantly (p<0.05) lower than those prepared by modified coaservation method. This may be explained upon the basis that, at higher concentrations of the components that make the bulk of the nanoparticle’s matrix, less volume is available for drug encapsulation. Thus, the presence of CaCl2 that makes the bulk of the NPs and causes the particles to be smaller and denser decreased the entrapment of the drug.
The EF% of (A1/A3/A6) and (P1/P2/P3) were compared as they contain close total polymer percentages, respectively, and the effect of CaCl2 on reducing EF% could be obviously observed, as shown in fig. 2.

Fig. 2: Effect of method of preparation on entrapment efficiency of alginate NPs containing close total polymers percentages (mean±SD, n=3) (A1: 0.13, P1: 0.12, A3: 0.24, P2: 0.22, A6: 0.31 and P3: 0.32%)
Table 3: Physicochemical properties of KT-loaded ALG/CS nanoparticles prepared by modified coaservation method
Formulation Code |
Particle size (nm)±SD |
Polydispersity index (PDI) |
Zeta potential (mV)±SD |
Entrapment efficiency (%)±SD |
MDR (0-2 h) |
| A1 | 493.2±22.5 | 0.44 | 13.7±1.40 | 41.88±2.54 | 10.45 |
| A2 | 704.3±18.9 | 0.67 | -10.7±0.56 | 37.27±5.10 | 10.52 |
| A3 | 1354±37.3 | 0.45 | -16.4±0.93 | 36.62±1.87 | ND |
| A5 | 905.1±25.1 | 0.74 | 12.3±1.10 | 47.53±3.64 | 9.32 |
| A6 | 1401±29.9 | 0.13 | -14.6±0.79 | 44.38±2.94 | ND |
| A9 | 1634.4±21.4 | 0.93 | 11.8±0.82 | 36.18±2.55 | ND |
ND: not determined
Table 4: Physicochemical properties of KT-loaded ALG/CS nanoparticles prepared by ionotropic pregelation method
Formulation Code |
Particle size (nm)±SD |
Polydispersity index |
Zeta potential (mV)±SD |
Entrapment efficiency (%)±SD |
MDR (0–2 h) |
| P1 | 131.2±10.6 | 0.46 | -3.7±1.45 | 23.60±3.64 | 12.17 |
| P2 | 142.1±14.15 | 0.13 | -22±2.25 | 21.10±2.83 | 10.82 |
| P3 | 148.7±17.65 | 0.68 | -24.2±2.93 | 20.97±1.93 | 9.27 |
| P4 | 535.9±37.8 | 0.9 | 2.64±0.94 | 23.47±1.43 | 11.78 |
| P5 | 726.8±29.31 | 0.8 | 13.1±0.59 | 20.53±1.16 | 5.23 |
| P6 | 334.7±16.4 | 0.32 | 21.4±1.89 | 32.81±1.23 | 8.32 |
| P7 | 480.9±22.2 | 0.64 | 15±2.04 | 22.55±2.15 | 4.64 |
In vitro release study
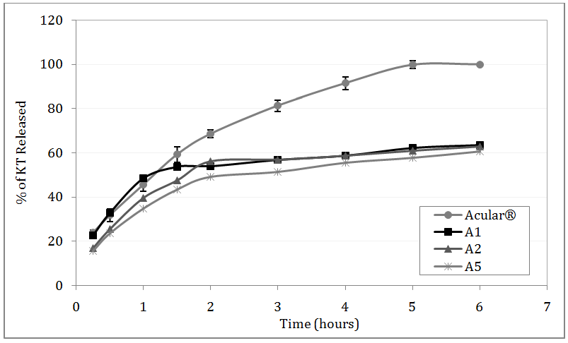
As observed from table , only three formulae prepared by modified coaservation method were in the nanorange (A1, A2 and A5), while all the formulae prepared by the ionotropic pregelation method (P1-P7) were nanodispersions. In vitro release studies were performed for the nanodispersions prepared by modified coacervation method (fig. 3) and ionotropic pregelation method (fig. 4).
It is to be noted that, NP dispersions prepared by either methods showed a significant retardation in KT release in comparison to the commercial eye drops (Acular®). In addition, all the nanodispersions showed an initial burst release followed by a more gradual and sustained-release phase. The initial fast release of KT may be mainly due to the free drug in the nanodispersions and the drug adsorbed on the surface of the nanoparticles [22].
There were no remarkable differences between the release patterns of KT from A1, A2 and A5 in the initial phase as shown by their MDR0-2h values (table 3), and all showed about 60% release after 6 h, this may be attributed to the non-significant differences in entrapment efficiencies, as shown in .
However, observing the release profiles of nanodispersions prepared by ionotropic pregelation method, it is clear that, P1 showed a remarkable fast release in the initial phase with the highest MDR0-2h (table ). P1 contains the minimum concentrations of polymers and CaCl2, which would probably result in NPs with low density and high drug release. On the other hand, the release of KT from P5 and P7 was significantly (p>0.05) slow (18-20%) and showed the smallest MDR0-2h (table ). It is worthy to note that, P5 and P7 contain the highest concentrations of CaCl2 and CS, respectively, which would increase the density of the NPs and delay the diffusion of KT. This result is consistent with that of particle size measurements, which indicated also that particle core mainly consists of CS and Ca2+ions.

Fig. 3: Release profile of KT from ALG/CS nanodispersions prepared by modified coaservation method compared to the eye drops (Acular®)

Fig. 4: Release profile of KT from ALG/CS nanodispersions prepared by ionotropic pregelation method compared to the eye drops (Acular®)
Kinetic analysis of release data
As shown in table , the release of KT from all ALG/CS nanodispersions (A1, A2 and A5) that were prepared by modified coaservation method was best fitted to Korsmeyer-Peppas model with n-values less than 0.5 indicating Fickian diffusion mechanism of release suggesting that the release was controlled by drug diffusion.
However, the kinetic data in revealed that the release from all the ionotropic pregelation formulae (P1-P7) followed Korsmeyer-Peppas model with n-values ranged from 0.517 to 0.833 indicating anomalous (non-Fickian) mechanism, which represents a superposition of two mechanisms, and the release is controlled by a combination of diffusion and polymer relaxation. This is probably because of the formation of a pre-gel between alginate and CaCl2. This confirms that each preparation method produced particles with different structures and hence different physicochemical properties.
Optimization of the formulations
According to the physicochemical properties of the ALG/CS formulations, ionotropic pregelation method was found to be more suitable in the preparation of ALG/CS nanoparticles as all tested ALG/CS ratios produced nanodispersions (unlike modified coaservation technique) with sustained-release characteristics. Among all ionotropic pregelation formulae, P6 was selected as an optimum NP dispersion for further investigations as it showed good homogeneity (PDI<0.5) and small particle size, which is believed to enhance the passage of particles through biological barriers [24]. In addition, P6 revealed the highest positive zeta potential, which would ensure good muco adhesion and high colloidal stabilization of the NPs against coagulation [23].
Table 5: Kinetic analysis of release data of KT from different ALG/CS nanodispersions prepared by different methods
| Formulation | Correlation coefficient (R2) | n | Release mechanism |
| Zero order | First order | Higuchi model | |
| A1 | 0.825 | 0.909 | 0.907 |
| A2 | 0.880 | 0.951 | 0.948 |
| A5 | 0.896 | 0.953 | 0.959 |
| P1 | 0.711 | 0.823 | 0.852 |
| P2 | 0.773 | 0.854 | 0.897 |
| P3 | 0.842 | 0.918 | 0.943 |
| P4 | 0.794 | 0.863 | 0.909 |
| P5 | 0.987 | 0.996 | 0.991 |
| P6 | 0.841 | 0.91 | 0.944 |
| P7 | 0.961 | 0.979 | 0.988 |
FT-IR spectroscopy
FT-IR was performed to establish the existence of polyelectrolyte interaction between ALG and CS and also to confirm the entrapment of KT in the nano particulate system. The FT-IR spectra of KT, ALG, CS and KT-loaded ALG/CS NPs was demonstrated in fig. . In the spectrum of ALG, the bands at 1612.49 and 1417.88 cm-1 are assigned to asymmetric and symmetric stretching peaks of carboxylate salt groups (COO-), respectively, as shown in fig. (b). In fig. (c), the spectrum of CS showed a broad band at 3421 cm-1 which corresponds to the amine and hydroxyl groups and the bending vibrations of the N-H (N-acetylated residues, amide II band) at 1597.06 cm-1.
Consequently, in the spectrum of NPs, it was observed that the asymmetric stretching of COO-groups shifted to 1602.85 cm-1 and the symmetric stretching of COO-shifted to 1411.89 cm-1. The absorption band of CSat 1597.06 cm-1 of an amide band shifted to 1570.06 cm-1 after the reaction with ALG, as shown in fig. (d).
In the spectrum of pure KT (fig. a), peaks were seen at 3346.5 cm-1 [NH stretch], 3354.21 cm-1 [OH (acid)], 1759.08 cm-1[C =O stretch (acid)], 1170.79 cm-1 [C = O stretch (diaryl ketone)], 1471.69 cm-1 and 1431.18 cm-1 [C=C aromatic and aliphatic stretching].
Furthermore, peaks at 704.02 cm-1, 731.02 cm-1, 781.17 cm-1 and 798.52 cm-1 were observed, which confirm the presence of C-H bending (aromatic). The appearance of the characteristic absorption bands of KT in the spectrum of KT-loaded ALG/CS NPs indicates that the KT molecules were incorporated in the polymeric network (fig. (d)).

Fig. 5: FT-IR spectroscopy of (a) KT, (b) sodium alginate and (c) chitosan (d) KT-loaded ALG/CS nanoparticles
Morphological examination
The ALG/CS nanoparticles appeared to be distinct and spherical, as shown in Fig..
However, they were considerably smaller when viewed with TEM in comparison to the average particle size observed with zetasizer. It is reported by Parbna et al. that the zetasizer measures the apparent size (hydrodynamic radius) of the particle, including the hydrodynamic layers that are formed around hydrophilic particles such as those composed of CS and ALG, leading to an overestimation of NP’s size [25].
Ex-vivo transcorneal permeation
Transcorneal permeation of KT from the optimum nano particulate formulation (P6) was significantly (p<0.05) higher than its permeation from aqueous solution (Acular® eye drops) with the same drug concentration (0.5%), as illustrated in fig. . This result suggests possible corneal uptake of the NPs due to their small size and positive charge [26]. Furthermore, apart from the muco adhesive character of both of ALG and CS polymers, CS is a very attractive polymer for ocular drug delivery due to its penetration enhancing properties across the mucosal epithelia.
It was reported that, CS opened the tight junctions located between epithelial cells, which resulting in an enhancement of the absorption via the para cellular route [27, 28]. In addition, some authors have also reported that CS enhances drug penetration through other intracellular pathways [29].

Fig. 6: TEM photomicrograph of ALG/CS nanoparticles (P6)
The transparency of the cornea depends on its hydration status, and the corneal hydration value is a sensitive indicator in evaluating corneal tissue irritability in vitro. Normal hydration values are between 76 and 80%. If the hydration value exceeds 83%, it denotes damages of the epithelium and/or endothelium [30]. Thus, in this study the corneal hydration (78.5%) remained in the normal range, which indicated that the ALG/CS nano dispersion did not cause corneal damage.

Fig. 7: Transcorneal permeation of KT from nanodispersion (P6) compared to the marketed eye drops (Acular®)
Stability study
Stability of nanoparticle dispersions has always been a critical determinant for making use of these dispersions as a viable alternative to the conventional ophthalmic delivery systems.
The chosen formula P6 was stored at different temperatures (25 °C and 4 °C) and evaluated at specified time intervals (table ). Visual examination revealed no settling or change in color within the 6 months.
NP dispersion showed an increase in particle size, and decrease in both pH values and entrapment efficiency with time. However, the change with storage was lower at 4 °C than at 25 °C indicating that, they were more stable at lower temperature. Although particles increased in size with time, they were still in the nanorange after 6 months even at 25 °C.
The decrease in EF% (about 30% at 25 °C in 6 months) indicates the leakage of the entrapped drug from the nanoparticles which may be attributed to the high solubility of KT in aqueous medium. The pH was in the acceptable range before and after storage. Generally, ophthalmic formulations must be in the pH range between 4.5 and 11.5 to avoid irritation [31].
Table 6: Evaluation of particle size, pH, and entrapment efficiency of KT nanoparticle dispersion (P6) during storage for 6 months at 4 °C and 25 °C (mean±SD, n = 3)
| Parameters | Time (months) |
P6 |
| 25 °C | ||
Particle size (nm) |
0 | 334.7±16.4 |
| 1 | 454.7±21.1 | |
| 6 | 886.8±11.5 | |
| pH | 0 | 7 |
| 1 | 6.5 | |
| 6 | 6.2 | |
| EF% | 0 | 32.81±1.23 |
| 1 | 29.65±1.8 | |
| 6 | 23.4±2.54 |
CONCLUSION
KT-loaded ALG/CS nanoparticles were successfully prepared under mild conditions by two different methods; modified coaservation and ionotropic pregelation method. The NPs prepared with pregelation method were smaller in size and denser in structure with lower entrapment efficiencies. The in vitro release data of all the formulations showed a sustained release with the initial burst release phase. The TEM image showed that the NPs were distinct and spherical. The bioadhesive polymeric nanoparticles can enhance the transcorneal permeation of KT in comparison to the conventional drug carrier without corneal damage.
CONFLICT OF INTERESTS
None Declare
REFERENCES